Каталог запчастей
Запчасти Камаз
Запчасти Урал
Спецпредложения
О компании
Контакты
+7 (3513) 289-777
Отправить готовую заявку
Группа компаний A-GROUP
Каталог
Запчасти УРАЛ
Запчасти КАМАЗ
Двигатель
Система питания
Система выпуска газов
Система охлаждения
Механизмы управления
Рулевое управление
Тормозная система
Кабина и кузов
Кабина
Оперение кабины
Платформа и кузов
Трансмиссия
Коробка передач
Коробка раздаточная
Сцепление
Карданная передача
Мосты
Ходовая часть
Колеса и ступицы
Ось передняя
Подвеска
Рама
Электрооборудование
Приборы
Специальное оборудование
Устройство седельно-сцепное
Лебедка
Газовое оборудование
Прочие запчасти
Инструмент и принадлежности
Рукава и РТИ
Крепеж
Подшипники
Запчасти двигателя
Система выпуска газов
Система охлаждения
Система питания
Кабина и оперение
Передок кабины
Оперение кабины
Боковина кабины
Двери кабины
Задок кабины
Основание кабины
Крыша кабины
Сиденья кабины
Вентиляция и отопление кабины
Трансмиссия
Коробка передач
Раздаточная коробка
Карданный вал
Сцепление
Передний мост
Средний мост
Задний мост
Ходовая часть
Рама
Подвеска балансирная
Колеса и ступицы
Механизмы управления
Рулевое управление
Тормозная система
Платформа
Электрооборудование
Приборы
Оборудование и инструменты
Коробка отбора мощности
Лебедка
Устройство седельно-сцепное
Инструменты
Поиск
Графические каталоги
0
Группа компаний A-GROUP
Поиск
0
+7 (3513) 289-777
Обратный звонок
Отправить готовую заявку
Группа компаний A-GROUP
0
Меню
Поиск
Каталог запчастей
Запчасти Камаз
Запчасти Урал
Спецпредложения
О компании
Контакты
Главная
Графические каталоги
КамАЗ
КамАЗ-43118
Механизм подрессоривания
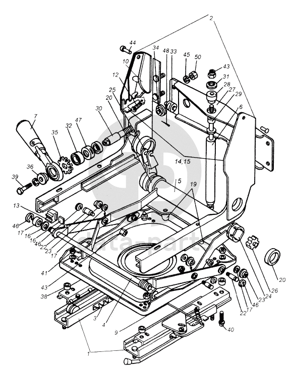
Механизм подрессоривания КамАЗ-43118
1
1
2
2
3
4
5
6
7
9
10
10
12
13
14
15
16
17
17
17
18
19
20
20
22
22
23
23
24
25
26
27
28
29
30
31
32
33
34
35
36
38
39
40
41
43
43
44
45
46
46
46
47
48
50
100
%
1
5320-6804110
Механизм перемещения сиденья водителя правый в сборе
Кол-во
1
?
Оставить заявку
1
5320-6804111
Механизм перемещения сиденья водителя левый в сборе
Кол-во
1
?
Оставить заявку
2
5320-6804511-01
Боковина подвески сиденья левая в сборе
Кол-во
1
?
Узнать цену
5320-6804511-01
Боковина КАМАЗ подвески сиденья водителя левая в сборе
ПАО КАМАЗ
под заказ
687 ₽
В корзину
2
5320-6804510-01
Боковина подвески сиденья правая в сборе
Кол-во
1
?
Узнать цену
5320-6804510-01
Боковина КАМАЗ подвески сиденья водителя правая в сборе
ПАО КАМАЗ
под заказ
1 153 ₽
В корзину
3
5320-6804540
Основание подвески сиденья в сборе
Кол-во
1
?
Узнать цену
5320-6804540
Основание КАМАЗ подвески сиденья водителя в сборе
ПАО КАМАЗ
под заказ
1 484 ₽
В корзину
4
5320-6804560
Шарнир подвески сиденья водителя передний в сборе
Кол-во
1
?
Оставить заявку
5
5320-6804570
Шарнир подвески сиденья водителя задний в сборе
Кол-во
1
?
Оставить заявку
6
11.6809010ГЧ
Амортизатор
Кол-во
1
?
Оставить заявку
7
5320-6804756
Ручка регулировки торсиона в сборе
Кол-во
1
?
Оставить заявку
9
5320-6804163
Стяжка механизма перемещения сиденья
Кол-во
1
?
Узнать цену
5320-6804163
Стяжка
ПАО КАМАЗ
под заказ
36 ₽
В корзину
10
5320-6804312
Кронштейн крепления спинки сиденья правый
Кол-во
1
?
Узнать цену
5320-6804312
Кронштейн
ПАО КАМАЗ
под заказ
177 ₽
В корзину
10
5320-6804313
Кронштейн крепления спинки сиденья левый
Кол-во
1
?
Узнать цену
5320-6804313
Кронштейн
ПАО КАМАЗ
под заказ
177 ₽
В корзину
12
5320-6804327
Пружина регулировочная
Кол-во
2
?
Оставить заявку
13
5320-6804530
Буфер шарнира
Кол-во
2
?
Оставить заявку
14
5320-6804321
Гребенка регулировки наклона спинки сиденья водителя левая
Кол-во
1
?
Узнать цену
5320-6804321
Гребенка
ПАО КАМАЗ
под заказ
111 ₽
В корзину
15
5320-6804322
Гребенка регулировки наклона спинки сиденья водителя правая
Кол-во
1
?
Узнать цену
5320-6804322
Гребенка
ПАО КАМАЗ
под заказ
164 ₽
В корзину
16
5320-6804533
Сухарь буфера
Кол-во
2
?
Оставить заявку
17
5320-6804568
Прокладка подвески сиденья
Кол-во
4
?
Узнать цену
5320-6804568
Прокладка
ПАО КАМАЗ
под заказ
14 ₽
В корзину
18
5320-6804569-10
Ролик шарнира
Кол-во
4
?
Оставить заявку
19
5320-6804585
Буфер
Кол-во
2
?
Оставить заявку
20
5320-6804592
Окантовка трубы торсиона подвески сиденья
Кол-во
2
?
Оставить заявку
22
5320-6804614
Ось соединения шарниров подвески
Кол-во
4
?
Оставить заявку
23
5320-6804617
Втулка оси шарнира
Кол-во
4
?
Оставить заявку
24
5320-6004623
Торсион подвески сиденья
Кол-во
2
?
Оставить заявку
25
5320-6804625
Вилка торсиона подвески
Кол-во
1
?
Оставить заявку
26
5320-6804627
Держатель торсиона
Кол-во
1
?
Оставить заявку
27
5320-6804643
Поперечина крепления амортизатора подвески сиденья
Кол-во
1
?
Узнать цену
5320-6804643
Поперечина
ПАО КАМАЗ
под заказ
715 ₽
В корзину
28
5320-6804653
Буфер амортизатора наружный
Кол-во
2
?
Оставить заявку
29
5320-6804655
Буфер амортизатора внутренний
Кол-во
2
?
Оставить заявку
30
5320-6804665
Винт регулировки торсиона
Кол-во
1
?
Оставить заявку
31
5320-6804675
Шайба специальная
Кол-во
2
?
Оставить заявку
32
5320-6804681-01
Подкладка ручки
Кол-во
2
?
Узнать цену
5320-6804681-01
Прокладка ручки торсиона
ПАО КАМАЗ
под заказ
45 ₽
В корзину
33
5320-6804683
Втулка скользящая
Кол-во
1
?
Оставить заявку
34
5320-6804741
Ограничитель винта
Кол-во
1
?
Оставить заявку
35
5320-6804749
Звездочка винта
Кол-во
1
?
Узнать цену
5320-6804749
Звездочка
ПАО КАМАЗ
под заказ
170 ₽
В корзину
36
5320-6804751
Подкладка ручки
Кол-во
1
?
Оставить заявку
38
1/21647/11
Гайка М10х1,25-6Н
Кол-во
4
?
Оставить заявку
39
1/60434/21
Болт М8-6gх20
Кол-во
1
?
Оставить заявку
40
1/32796/01
Винт с крестообразным шлицем
Кол-во
4
?
Оставить заявку
41
1/61008/11
Гайка М8х1,25-6Н
Кол-во
4
?
Оставить заявку
43
251646
Гайка М10х1,25-6Н ОСТ 37.001.197-75
Кол-во
4
?
Оставить заявку
44
1/04315/00
Заклепка 6х14
Кол-во
4
?
Оставить заявку
45
1/05166/77
Шайба 8 пружинная
Кол-во
4
?
Оставить заявку
46
1/10880/76
Шайба стопорная 9х18,5х1,1
Кол-во
4
?
Оставить заявку
47
108903
Подшипник
Кол-во
1
?
Оставить заявку
48
1/07969/01
Шплинт 3,7х25
Кол-во
1
?
Оставить заявку
49
1/05166/77
Шайба 8 пружинная
Кол-во
0
?
Оставить заявку
50
251645
Гайка М8-6Н ОСТ 37.001.197-75
Кол-во
6
?
Оставить заявку
Нужна помощь в подборе запчастей?
Напишите нам и оставьте ваши контактные данные. Мы перезвоним вам в течение 30 минут или раньше!
Кратвольд Елена
Менеджер по продажам
7 (3513) 289-777
koleso787@bk.ru
Вы должны включить JavaScript чтобы использовать эту форму.
Ваш вопрос
Email
Телефон
Отправляя форму вы подтверждаете согласие с
политикой обработки персональных данных
.
Отправить
Оставьте это поле пустым