Каталог запчастей
Запчасти Камаз
Запчасти Урал
Спецпредложения
О компании
Контакты
+7 (3513) 289-777
Отправить готовую заявку
Группа компаний A-GROUP
Каталог
Запчасти УРАЛ
Запчасти КАМАЗ
Двигатель
Система питания
Система выпуска газов
Система охлаждения
Механизмы управления
Рулевое управление
Тормозная система
Кабина и кузов
Кабина
Оперение кабины
Платформа и кузов
Трансмиссия
Коробка передач
Коробка раздаточная
Сцепление
Карданная передача
Мосты
Ходовая часть
Колеса и ступицы
Ось передняя
Подвеска
Рама
Электрооборудование
Приборы
Специальное оборудование
Устройство седельно-сцепное
Лебедка
Газовое оборудование
Прочие запчасти
Инструмент и принадлежности
Рукава и РТИ
Крепеж
Подшипники
Запчасти двигателя
Система выпуска газов
Система охлаждения
Система питания
Кабина и оперение
Передок кабины
Оперение кабины
Боковина кабины
Двери кабины
Задок кабины
Основание кабины
Крыша кабины
Сиденья кабины
Вентиляция и отопление кабины
Трансмиссия
Коробка передач
Раздаточная коробка
Карданный вал
Сцепление
Передний мост
Средний мост
Задний мост
Ходовая часть
Рама
Подвеска балансирная
Колеса и ступицы
Механизмы управления
Рулевое управление
Тормозная система
Платформа
Электрооборудование
Приборы
Оборудование и инструменты
Коробка отбора мощности
Лебедка
Устройство седельно-сцепное
Инструменты
Поиск
Графические каталоги
0
Группа компаний A-GROUP
Поиск
0
+7 (3513) 289-777
Обратный звонок
Отправить готовую заявку
Группа компаний A-GROUP
0
Меню
Поиск
Каталог запчастей
Запчасти Камаз
Запчасти Урал
Спецпредложения
О компании
Контакты
Главная
Графические каталоги
КамАЗ
КамАЗ-43114
Мост задний
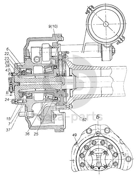
Мост задний КамАЗ-43114
6
7
8
9
10
15
22
23
24
25
28
36
37
38
43
49
52
100
%
1
43114-2401007
Картер заднего моста
Кол-во
1
?
Узнать цену
43114-2401007
Картер заднего моста
ПАО КАМАЗ
под заказ
100 105 ₽
В корзину
2
4310-2401080
Цапфа правая в сборе
Кол-во
1
?
Оставить заявку
3
4310-2401081
Цапфа в сборе
Кол-во
1
?
Оставить заявку
4
5320-2401114
Клапан со штуцером в сборе
Кол-во
1
?
Узнать цену
5320-2401114
Клапан со штуцером
ПАО КАМАЗ
В наличии 1 шт.
435 ₽
В корзину
5
53229-2402011-20
Передача главная заднего моста
Кол-во
1
?
Узнать цену
53229-2402011-20
Редуктор заднего моста КАМАЗ-ЕВРО 50/12 (7.22)
ПАО КАМАЗ
под заказ
227 823 ₽
В корзину
6
43114-3103010-12
Ступица колеса с барабаном тормоза
Кол-во
2
?
Оставить заявку
7
4310-3103076
Гайка в сборе
Кол-во
2
?
Оставить заявку
8
4310-3124110
Кран запора воздуха в сборе
Кол-во
2
?
Оставить заявку
9
43114-3502010-13
Тормоз задний правый
Кол-во
1
?
Оставить заявку
10
43114-3502011-13
Тормоз задний левый
Кол-во
1
?
Оставить заявку
15
4310-2304091
Прокладка полуоси
Кол-во
2
?
Оставить заявку
16
4310-2401016
Направляющая полуоси
Кол-во
2
?
Узнать цену
4310-2401016
Направляющая КАМАЗ-4310 4326 полуоси
ПАО КАМАЗ
В наличии 200 шт.
147 ₽
В корзину
17
5320-2402034
Прокладка картера редуктора
Кол-во
1
?
Оставить заявку
18
43114-2403070
Полуось правая
Кол-во
1
?
Узнать цену
43114-2403070
Полуось КАМАЗ-43114 правая короткая 20 шлицев
ПАО КАМАЗ
под заказ
16 993 ₽
В корзину
19
43114-2403069
Полуось левая
Кол-во
1
?
Узнать цену
43114-2403069
Полуось КАМАЗ-43114 левая длинная 20 шлицев (с блокировкой двойной шлиц)
ПАО КАМАЗ
под заказ
23 027 ₽
В корзину
20
4310-2403072
Втулка разжимная шпильки полуоси заднего моста
Кол-во
24
?
Узнать цену
4310-2403072
Втулка КАМАЗ разжимная шпильки полуоси d=12мм
ПАО КАМАЗ
В наличии 54 шт.
35 ₽
В корзину
21
5320-2403072
Втулка разжимная шпильки полуоси
Кол-во
4
?
Узнать цену
5320-2403072
Втулка КАМАЗ разжимная шпильки полуоси d=16мм
ПАО КАМАЗ
В наличии 86 шт.
47 ₽
В корзину
22
4310-3103079
Шайба замковая
Кол-во
2
?
Узнать цену
4310-3103079
Шайба КАМАЗ-6520 6460 замковая ступицы среднего и заднего моста
ПАО КАМАЗ
В наличии 20 шт.
704 ₽
В корзину
23
4310-3103081
Контргайка
Кол-во
2
?
Оставить заявку
24
4310-3103082
Шайба замковая
Кол-во
2
?
Узнать цену
4310-3103082
Шайба КАМАЗ-4310 замковая ступицы колеса переднего
ПАО КАМАЗ
В наличии 15 шт.
54 ₽
В корзину
25
4310-3103083-10
Кольцо
Кол-во
2
?
Узнать цену
4310-3103083-10
Кольцо
ПАО КАМАЗ
под заказ
379 ₽
В корзину
26
4310-3124065
Штуцер ввертный передних колес
Кол-во
2
?
Узнать цену
4310-3124065
Штуцер КАМАЗ подкачки колеса переднего
ПАО КАМАЗ
под заказ
56 ₽
В корзину
27
4310-3124069
Переходник системы накачки шин задних колес
Кол-во
2
?
Узнать цену
4310-3124069
Переходник
ПАО КАМАЗ
под заказ
192 ₽
В корзину
28
4310-3124113
Прокладка
Кол-во
2
?
Оставить заявку
36
7518АК1
Подшипник роликовый конический однорядный ГОСТ 520-89
Кол-во
2
?
Оставить заявку
37
2007118А
Подшипник роликовый конический однорядный ГОСТ 520-89
Кол-во
2
?
Узнать цену
2007118А
ПОДШИПНИК УРАЛ полуоси РОЛИКОВЫЙ УРАЛ полуоси
АО АЗ Урал
под заказ
1 783 ₽
В корзину
38
1/60432/21
Болт М8-6gх16
Кол-во
8
?
Оставить заявку
39
1/55411/21
Болт М12х1,25-6gх65
Кол-во
4
?
Оставить заявку
40
1/55413/21
Болт М12х1,25-6gх75
Кол-во
24
?
Оставить заявку
41
1/61015/11
Гайка М12х1,25-6Н
Кол-во
28
?
Оставить заявку
42
1/21641/21
Гайка М16х1,5-6Н
Кол-во
17
?
Оставить заявку
43
1/05166/77
Шайба 8 пружинная
Кол-во
8
?
Оставить заявку
44
1/05170/77
Шайба 12 пружинная
Кол-во
52
?
Оставить заявку
45
1/05172/77
Шайба 16 пружинная
Кол-во
17
?
Оставить заявку
46
1/35302/31
Шпилька
Кол-во
20
?
Оставить заявку
47
1/18004/31
Шпилька М16х1,5х22х35
Кол-во
16
?
Оставить заявку
48
1/18006/31
Шпилька картера М16х1,5х22х45
Кол-во
1
?
Оставить заявку
49
853312
Шпилька
Кол-во
4
?
Оставить заявку
50
853570
Гайка М12х1,25-6Н
Кол-во
24
?
Оставить заявку
51
864000-10
Клапан предохранительный крышки в сборе
Кол-во
2
?
Узнать цену
864000-10
Клапан КАМАЗ-ЕВРО предохранительный (сапун)
ПАО КАМАЗ
В наличии 36 шт.
209 ₽
В корзину
52
864149-30
Манжета с пружиной
Кол-во
2
?
Оставить заявку
53
864158-10
Манжета с пружиной
Кол-во
2
?
Узнать цену
864158-10
Сальник КАМАЗ-4310 полуоси 60х135х10
ПАО КАМАЗ
под заказ
516 ₽
В корзину
54
864341
Пробка КГ 1/8"
Кол-во
1
?
Оставить заявку
60
2101-2401046
Пробка магнитная в сборе
Кол-во
1
?
Оставить заявку
Нужна помощь в подборе запчастей?
Напишите нам и оставьте ваши контактные данные. Мы перезвоним вам в течение 30 минут или раньше!
Кратвольд Елена
Менеджер по продажам
7 (3513) 289-777
koleso787@bk.ru
Вы должны включить JavaScript чтобы использовать эту форму.
Ваш вопрос
Email
Телефон
Отправляя форму вы подтверждаете согласие с
политикой обработки персональных данных
.
Отправить
Оставьте это поле пустым