Каталог запчастей
Запчасти Камаз
Запчасти Урал
Спецпредложения
О компании
Контакты
+7 (3513) 289-777
Отправить готовую заявку
Группа компаний A-GROUP
Каталог
Запчасти УРАЛ
Запчасти КАМАЗ
Двигатель
Система питания
Система выпуска газов
Система охлаждения
Механизмы управления
Рулевое управление
Тормозная система
Кабина и кузов
Кабина
Оперение кабины
Платформа и кузов
Трансмиссия
Коробка передач
Коробка раздаточная
Сцепление
Карданная передача
Мосты
Ходовая часть
Колеса и ступицы
Ось передняя
Подвеска
Рама
Электрооборудование
Приборы
Специальное оборудование
Устройство седельно-сцепное
Лебедка
Газовое оборудование
Прочие запчасти
Инструмент и принадлежности
Рукава и РТИ
Крепеж
Подшипники
Запчасти двигателя
Система выпуска газов
Система охлаждения
Система питания
Кабина и оперение
Передок кабины
Оперение кабины
Боковина кабины
Двери кабины
Задок кабины
Основание кабины
Крыша кабины
Сиденья кабины
Вентиляция и отопление кабины
Трансмиссия
Коробка передач
Раздаточная коробка
Карданный вал
Сцепление
Передний мост
Средний мост
Задний мост
Ходовая часть
Рама
Подвеска балансирная
Колеса и ступицы
Механизмы управления
Рулевое управление
Тормозная система
Платформа
Электрооборудование
Приборы
Оборудование и инструменты
Коробка отбора мощности
Лебедка
Устройство седельно-сцепное
Инструменты
Поиск
Графические каталоги
0
Группа компаний A-GROUP
Поиск
0
+7 (3513) 289-777
Обратный звонок
Отправить готовую заявку
Группа компаний A-GROUP
0
Меню
Поиск
Каталог запчастей
Запчасти Камаз
Запчасти Урал
Спецпредложения
О компании
Контакты
Главная
Графические каталоги
КамАЗ
КамАЗ-43101
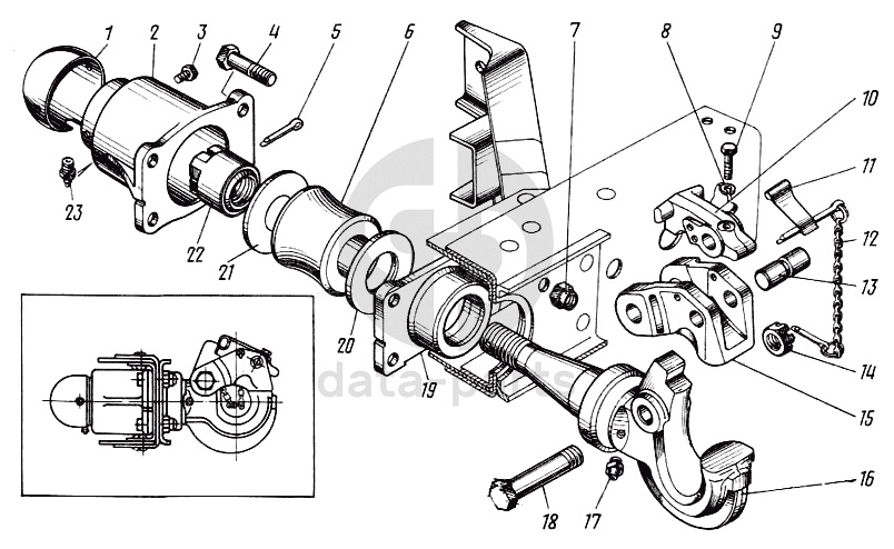
Прибор буксирный в сборе 4310-2707210
Прибор буксирный в сборе 4310-2707210 КамАЗ-43101
1
2
3
4
5
6
7
8
9
10
11
12
13
14
15
16
17
18
19
20
21
22
23
100
%
1
5320-2707245
Колпак гайки крюка
Кол-во
1
?
Оставить заявку
2
4310-2707237
Корпус прибора
Кол-во
1
?
Оставить заявку
3
1/60431/21
Болт М8-6gх14
Кол-во
2
?
Оставить заявку
4
1/50811/21
Болт
Кол-во
4
?
Оставить заявку
5
1/07985/01
Шплинт 5,7х50
Кол-во
1
?
Оставить заявку
6
5320-2707225
Буфер
Кол-во
1
?
Оставить заявку
7
853528
Гайка М20х1,5-6Н
Кол-во
4
?
Узнать цену
853528
ГАЙКА М20Х1,5-6Н
АО АЗ Урал
под заказ
44 ₽
В корзину
8
1/05166/77
Шайба 8 пружинная
Кол-во
1
?
Оставить заявку
9
1/60439/21
Болт М8-6gх35
Кол-во
1
?
Оставить заявку
10
5320-2707218
Собачка защелки крюка
Кол-во
1
?
Оставить заявку
11
5320-2707219
Пружина собачки
Кол-во
1
?
Узнать цену
5320-2707219
Пружина
ПАО КАМАЗ
под заказ
145 ₽
В корзину
12
5320-2707222
Цепь шплинта защелки в сборе
Кол-во
1
?
Узнать цену
5320-2707222
Цепь шплинта
ПАО КАМАЗ
под заказ
325 ₽
В корзину
13
5320-2707220
Ось собачки
Кол-во
1
?
Оставить заявку
14
853531
Гайка М20х1,5-6Н
Кол-во
1
?
Оставить заявку
15
5320-2707216
Защелка крюка
Кол-во
1
?
Узнать цену
5320-2707216
Защелка крюка
ПАО КАМАЗ
под заказ
2 270 ₽
В корзину
16
5320-2707213
Крюк с грязеотражателем в сборе
Кол-во
1
?
Узнать цену
5320-2707213
Крюк КАМАЗ с грязеотражателем в сборе
ПАО КАМАЗ
под заказ
11 864 ₽
В корзину
17
864007
Масленка в сборе
Кол-во
1
?
Оставить заявку
18
5320-2707221
Палец защелки крюка
Кол-во
1
?
Оставить заявку
19
4310-2707241
Крышка корпуса
Кол-во
1
?
Узнать цену
4310-2707241
Крышка корпуса буксирного прибора
ПАО КАМАЗ
под заказ
2 723 ₽
В корзину
20
5320-2707229
Фланец буфера задний
Кол-во
1
?
Узнать цену
5320-2707229
Фланец КАМАЗ буфера устройства буксирного задний
ПАО КАМАЗ
под заказ
1 009 ₽
В корзину
21
5320-2707228
Фланец буфера передний
Кол-во
1
?
Узнать цену
5320-2707228
Фланец КАМАЗ буфера устройства буксирного передний
ПАО КАМАЗ
В наличии 2 шт.
1 029 ₽
В корзину
22
5320-2707243
Гайка крюка
Кол-во
1
?
Оставить заявку
23
864006
Масленка 1.3.Ц6хр.ГОСТ 19853-74
Кол-во
1
?
Оставить заявку
Нужна помощь в подборе запчастей?
Напишите нам и оставьте ваши контактные данные. Мы перезвоним вам в течение 30 минут или раньше!
Кратвольд Елена
Менеджер по продажам
7 (3513) 289-777
koleso787@bk.ru
Вы должны включить JavaScript чтобы использовать эту форму.
Ваш вопрос
Email
Телефон
Отправляя форму вы подтверждаете согласие с
политикой обработки персональных данных
.
Отправить
Оставьте это поле пустым