Каталог запчастей
Запчасти Камаз
Запчасти Урал
Спецпредложения
О компании
Контакты
+7 (3513) 289-777
Отправить готовую заявку
Группа компаний A-GROUP
Каталог
Запчасти УРАЛ
Запчасти КАМАЗ
Двигатель
Система питания
Система выпуска газов
Система охлаждения
Механизмы управления
Рулевое управление
Тормозная система
Кабина и кузов
Кабина
Оперение кабины
Платформа и кузов
Трансмиссия
Коробка передач
Коробка раздаточная
Сцепление
Карданная передача
Мосты
Ходовая часть
Колеса и ступицы
Ось передняя
Подвеска
Рама
Электрооборудование
Приборы
Специальное оборудование
Устройство седельно-сцепное
Лебедка
Газовое оборудование
Прочие запчасти
Инструмент и принадлежности
Рукава и РТИ
Крепеж
Подшипники
Запчасти двигателя
Система выпуска газов
Система охлаждения
Система питания
Кабина и оперение
Передок кабины
Оперение кабины
Боковина кабины
Двери кабины
Задок кабины
Основание кабины
Крыша кабины
Сиденья кабины
Вентиляция и отопление кабины
Трансмиссия
Коробка передач
Раздаточная коробка
Карданный вал
Сцепление
Передний мост
Средний мост
Задний мост
Ходовая часть
Рама
Подвеска балансирная
Колеса и ступицы
Механизмы управления
Рулевое управление
Тормозная система
Платформа
Электрооборудование
Приборы
Оборудование и инструменты
Коробка отбора мощности
Лебедка
Устройство седельно-сцепное
Инструменты
Поиск
Графические каталоги
0
Группа компаний A-GROUP
Поиск
0
+7 (3513) 289-777
Обратный звонок
Отправить готовую заявку
Группа компаний A-GROUP
0
Меню
Поиск
Каталог запчастей
Запчасти Камаз
Запчасти Урал
Спецпредложения
О компании
Контакты
Главная
Графические каталоги
КамАЗ
КамАЗ-4310
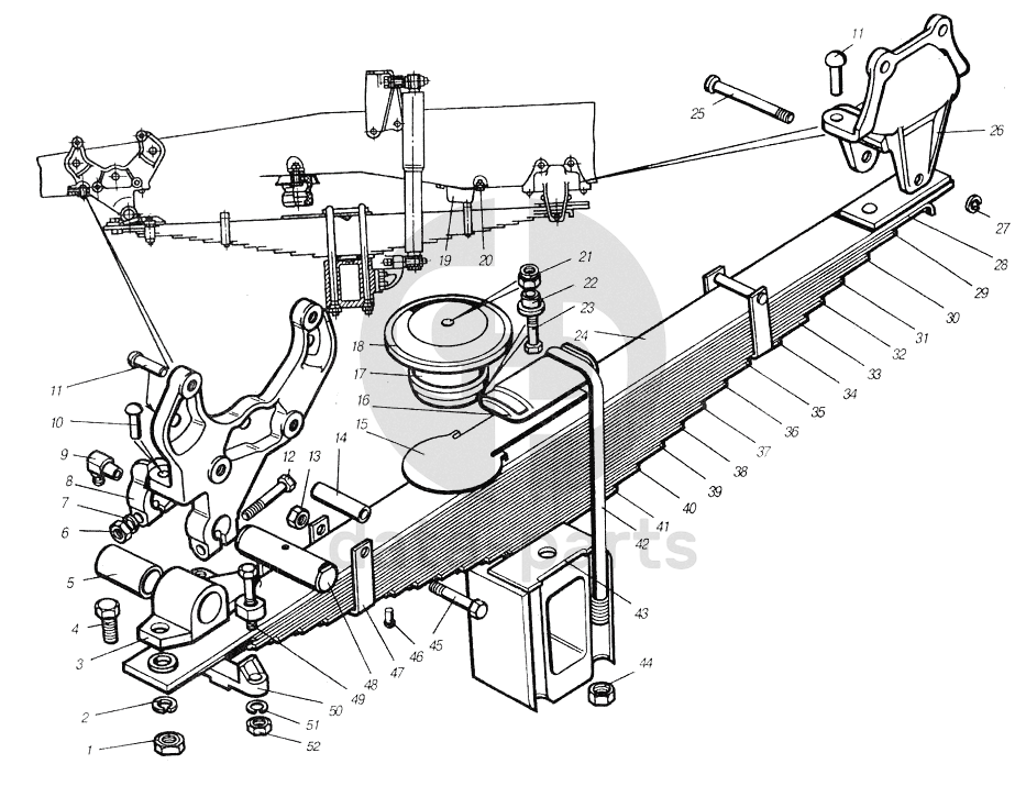
Установка передней подвески
Установка передней подвески КамАЗ-4310
1
2
3
4
5
6
7
8
9
10
11
11
12
13
14
15
16
17
18
19
20
21
22
23
24
25
26
27
28
29
30
31
32
33
34
35
36
37
38
39
40
41
42
43
45
46
44
47
48
49
50
51
52
100
%
1
1/21643/11
Гайка М20х1,25-6Н
Кол-во
2
?
Узнать цену
1/21643/11
Гайка М20х1.5-Н6 многоцелевая
АО АЗ Урал
под заказ
44 ₽
В корзину
2
1/05174/77
Шайба 20 пружинная
Кол-во
2
?
Оставить заявку
3
5320-2902126
Ушко передней рессоры
Кол-во
2
?
Узнать цену
5320-2902126
Ушко рессоры КАМАЗ передней
ПАО КАМАЗ
В наличии 31 шт.
1 708 ₽
В корзину
4
45 9348 2755
Болт М20х1,5
Кол-во
2
?
Оставить заявку
5
5320-2902028
Втулка ушка
Кол-во
2
?
Оставить заявку
6
1/21640/11
Гайка М14х1,5-6Н
Кол-во
4
?
Оставить заявку
7
1/05171/77
Шайба 14 пружинная
Кол-во
4
?
Оставить заявку
8
4310-2902445
Кронштейн левый
Кол-во
1
?
Узнать цену
4310-2902445
Кронштейн КАМАЗ рессоры передней передний левый усиленный
ПАО КАМАЗ
В наличии 3 шт.
9 786 ₽
В корзину
9
Масленка 2345Ц6
Масленка 2345Ц6
Кол-во
1
?
Оставить заявку
10
1/30232/00
Заклепка 16х50
Кол-во
2
?
Оставить заявку
11
1/30230/00
Заклепка 16х45
Кол-во
15
?
Оставить заявку
12
1/58621/31
Болт М14х1,5-6gх80
Кол-во
4
?
Оставить заявку
13
1/21647/11
Гайка М10х1,25-6Н
Кол-во
4
?
Оставить заявку
14
5320-2902068
Втулка распорная
Кол-во
4
?
Оставить заявку
15
4310-2902631
Опора буфера
Кол-во
1
?
Оставить заявку
16
4310-2902412
Накладка
Кол-во
1
?
Оставить заявку
17
5320-2902624
Буфер передней рессоры
Кол-во
2
?
Узнать цену
5320-2902624
Буфер КАМАЗ подвески передней
АО АЗ Урал
под заказ
1 310 ₽
В корзину
18
5320-2902632
Чашка буфера (45351370994)
Кол-во
2
?
Оставить заявку
19
4310-2902684
Буфер дополнительный в сборе
Кол-во
2
?
Оставить заявку
20
141-9707721
Болт
Кол-во
4
?
Оставить заявку
21
252649
Гайка
Кол-во
2
?
Оставить заявку
22
5320-2902635
Втулка буфера в сборе
Кол-во
2
?
Узнать цену
5320-2902635
Втулка КАМАЗ буфера рессоры передней
ПАО КАМАЗ
под заказ
179 ₽
В корзину
23
1/59811/21
Болт М16х1,5-6gх60
Кол-во
2
?
Оставить заявку
24
5320-2902015
Лист № 1 с накладкой в сборе
Кол-во
2
?
Оставить заявку
25
43105-2902485
Палец
Кол-во
2
?
Оставить заявку
26
4110-5290245
Кронштейн передней рессоры задний в сборе
Кол-во
2
?
Оставить заявку
27
Кольцо Б16
Кольцо Б16
Кол-во
2
?
Оставить заявку
28
5320-2902102
Лист № 2
Кол-во
2
?
Оставить заявку
29
5320-2902103
Лист № 3
Кол-во
2
?
Оставить заявку
30
5320-2902104
Лист № 4
Кол-во
2
?
Оставить заявку
31
5320-2902105
Лист № 5
Кол-во
2
?
Оставить заявку
32
5320-2902106
Лист № 6
Кол-во
2
?
Оставить заявку
33
5320-2902107
Лист № 7
Кол-во
2
?
Оставить заявку
34
5320-2902108
Лист № 8
Кол-во
2
?
Оставить заявку
35
5320-2902109
Лист № 9
Кол-во
2
?
Оставить заявку
36
5320-2902110
Лист № 10
Кол-во
2
?
Оставить заявку
37
5320-2902111
Лист № 11
Кол-во
2
?
Оставить заявку
38
5320-2902112
Лист № 12
Кол-во
2
?
Оставить заявку
39
5320-2902113
Лист № 13
Кол-во
2
?
Оставить заявку
40
5320-2902114
Лист № 14
Кол-во
2
?
Оставить заявку
41
5320-2902115
Лист № 15
Кол-во
2
?
Оставить заявку
42
4310-2902409
Стремянка левая
Кол-во
3
?
Узнать цену
4310-2902409
Стремянка передней рессоры КАМАЗ-4310 h=370мм
АНАЛОГ
В наличии 3 шт.
607 ₽
В корзину
43
4310-2902555
Проставка в сборе
Кол-во
4
?
Оставить заявку
44
853510
Гайка
Кол-во
4
?
Оставить заявку
45
1/59718/21
Болт М10х1,25-6gх100
Кол-во
4
?
Оставить заявку
46
1/29979/00
Заклепка 12х22
Кол-во
4
?
Оставить заявку
47
5320-2902060
Хомут
Кол-во
4
?
Оставить заявку
48
5320-2902478
Палец ушка
Кол-во
2
?
Узнать цену
5320-2902478
Палец КАМАЗ ушка рессоры
ПАО КАМАЗ
В наличии 2 шт.
1 443 ₽
В корзину
49
1/12541/21
Болт М16х1,5-6gх80
Кол-во
4
?
Оставить заявку
50
5320-2902128-10
Накладка ушка
Кол-во
2
?
Узнать цену
5320-2902128-10
Накладка КАМАЗ ушка рессоры
ПАО КАМАЗ
В наличии 2 шт.
898 ₽
В корзину
51
1/05172/77
Шайба 16 пружинная
Кол-во
4
?
Оставить заявку
52
1/21641/11
Гайка М16х1,5-6Н
Кол-во
4
?
Оставить заявку
Нужна помощь в подборе запчастей?
Напишите нам и оставьте ваши контактные данные. Мы перезвоним вам в течение 30 минут или раньше!
Кратвольд Елена
Менеджер по продажам
7 (3513) 289-777
koleso787@bk.ru
Вы должны включить JavaScript чтобы использовать эту форму.
Ваш вопрос
Email
Телефон
Отправляя форму вы подтверждаете согласие с
политикой обработки персональных данных
.
Отправить
Оставьте это поле пустым