Каталог запчастей
Запчасти Камаз
Запчасти Урал
Спецпредложения
О компании
Контакты
+7 (3513) 289-777
Отправить готовую заявку
Группа компаний A-GROUP
Каталог
Запчасти УРАЛ
Запчасти КАМАЗ
Двигатель
Система питания
Система выпуска газов
Система охлаждения
Механизмы управления
Рулевое управление
Тормозная система
Кабина и кузов
Кабина
Оперение кабины
Платформа и кузов
Трансмиссия
Коробка передач
Коробка раздаточная
Сцепление
Карданная передача
Мосты
Ходовая часть
Колеса и ступицы
Ось передняя
Подвеска
Рама
Электрооборудование
Приборы
Специальное оборудование
Устройство седельно-сцепное
Лебедка
Газовое оборудование
Прочие запчасти
Инструмент и принадлежности
Рукава и РТИ
Крепеж
Подшипники
Запчасти двигателя
Система выпуска газов
Система охлаждения
Система питания
Кабина и оперение
Передок кабины
Оперение кабины
Боковина кабины
Двери кабины
Задок кабины
Основание кабины
Крыша кабины
Сиденья кабины
Вентиляция и отопление кабины
Трансмиссия
Коробка передач
Раздаточная коробка
Карданный вал
Сцепление
Передний мост
Средний мост
Задний мост
Ходовая часть
Рама
Подвеска балансирная
Колеса и ступицы
Механизмы управления
Рулевое управление
Тормозная система
Платформа
Электрооборудование
Приборы
Оборудование и инструменты
Коробка отбора мощности
Лебедка
Устройство седельно-сцепное
Инструменты
Поиск
Графические каталоги
0
Группа компаний A-GROUP
Поиск
0
+7 (3513) 289-777
Обратный звонок
Отправить готовую заявку
Группа компаний A-GROUP
0
Меню
Поиск
Каталог запчастей
Запчасти Камаз
Запчасти Урал
Спецпредложения
О компании
Контакты
Главная
Графические каталоги
КамАЗ
КамАЗ-4310
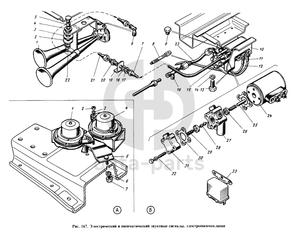
Электрический и пневматический звуковые сигналы, электропневмоклапан
Электрический и пневматический звуковые сигналы, электропневмоклапан КамАЗ-4310
1
1
2
2
3
3
4
4
5
5
6
6
7
7
9
10
13
14
15
16
17
18
19
20
21
22
23
24
25
26
27
28
29
30
31
32
33
12
11
8
100
%
1
5320-3721252
Сигнал звуковой высокого тона в сборе
Кол-во
1
?
Оставить заявку
1
5320-3721410
Сигнал пневматический в сборе
Кол-во
1
?
Оставить заявку
2
1/58962/11
Гайка ЕМ6-6Н
Кол-во
4
?
Узнать цену
1/58962/11
Гайка М6Х1 Камаз
ПАО Автодизель (ЯМЗ)
под заказ
15 ₽
В корзину
2
1/26462/01
Шайба плоская 8,45х35х3
Кол-во
2
?
Оставить заявку
3
5320-3721466
Шайба буферная (Б)
Кол-во
2
?
Оставить заявку
3
1/05164/77
Шайба 6 пружинная
Кол-во
4
?
Оставить заявку
4
5320-3721467
Втулка буферная
Кол-во
2
?
Оставить заявку
4
5320-3721250
Сигнал звуковой среднего тона в сборе
Кол-во
1
?
Оставить заявку
5
5320-3721254
Кронштейн звуковых сигналов в сборе
Кол-во
1
?
Узнать цену
5320-3721254
Кронштейн
ПАО КАМАЗ
под заказ
442 ₽
В корзину
5
5320-3721465
Втулка распорная кронштейна сигнала
Кол-во
2
?
Оставить заявку
6
1/05166/77
Шайба 8 пружинная
Кол-во
2
?
Оставить заявку
6
864822
Угольник ввертной
Кол-во
0
?
Узнать цену
864822
Угольник КАМАЗ М10х14 крана стояночного тормоза
ПАО КАМАЗ
В наличии 24 шт.
307 ₽
В корзину
7
1/61008/11
Гайка М8х1,25-6Н
Кол-во
2
?
Оставить заявку
7
4310-3721468
Трубка от клапана пневмосигнала к штуцеру в сборе
Кол-во
1
?
Оставить заявку
8
5320-3724677
Хомут крепления провода
Кол-во
0
?
Оставить заявку
9
864341
Пробка КГ 1/8"
Кол-во
1
?
Оставить заявку
10
5320-3721563
Кронштейн клапана пневмосигнала
Кол-во
1
?
Оставить заявку
11
5320-3724208
Провод массы электромагнитного клапана
Кол-во
0
?
Оставить заявку
12
5320-3724093
Провод электропневмоклапана пневмосигнала
Кол-во
0
?
Оставить заявку
13
1/59705/21
Болт М10х1,25-6gх20
Кол-во
2
?
Оставить заявку
14
1/05168/77
Шайба 10 пружинная
Кол-во
2
?
Оставить заявку
15
5320-3721500
Клапан пневмосигнала с электромагнитом в сборе
Кол-во
1
?
Оставить заявку
16
864892
Тройник ввертной симметричный
Кол-во
1
?
Узнать цену
864892
Тройник КАМАЗ ввертный М14х1.5 КГ1/8
ПАО КАМАЗ
под заказ
344 ₽
В корзину
17
1/07913/11
Гайка низкая М14х1,5-6Н
Кол-во
1
?
Оставить заявку
18
1/05171/77
Шайба 14 пружинная
Кол-во
1
?
Оставить заявку
19
5320-3721475
Кронштейн проходного штуцера
Кол-во
1
?
Оставить заявку
20
864898
Штуцер фланцевый проходной
Кол-во
1
?
Узнать цену
864898
Штуцер
ПАО КАМАЗ
под заказ
274 ₽
В корзину
21
4310-3721472
Трубка от штуцера к пневмосигналу в сборе
Кол-во
1
?
Оставить заявку
22
251645
Гайка М8-6Н ОСТ 37.001.197-75
Кол-во
2
?
Оставить заявку
23
5320-3721566
Трубка от тройника крана моторного тормоза к клапану пневмосигнала в сборе
Кол-во
1
?
Оставить заявку
24
5320-3721560
Электромагнит типа РС230
Кол-во
1
?
Оставить заявку
25
5320-3721533
Шток электромагнита
Кол-во
1
?
Оставить заявку
26
5320-3721510
Клапан в сборе
Кол-во
2
?
Оставить заявку
27
5320-3721531
Корпус клапана
Кол-во
1
?
Оставить заявку
28
5320-3721537
Шток клапана
Кол-во
1
?
Оставить заявку
29
5320-3721534
Пружина
Кол-во
2
?
Оставить заявку
30
5320-3721507
Прокладка уплотнительная
Кол-во
2
?
Оставить заявку
31
5320-3721505
Крышка корпуса клапана
Кол-во
1
?
Оставить заявку
32
1/38521/11
Болт с пружинной шайбой в сборе
Кол-во
4
?
Оставить заявку
33
5320-3721300
Сигнализатор звуковой в сборе
Кол-во
1
?
Оставить заявку
Нужна помощь в подборе запчастей?
Напишите нам и оставьте ваши контактные данные. Мы перезвоним вам в течение 30 минут или раньше!
Кратвольд Елена
Менеджер по продажам
7 (3513) 289-777
koleso787@bk.ru
Вы должны включить JavaScript чтобы использовать эту форму.
Ваш вопрос
Email
Телефон
Отправляя форму вы подтверждаете согласие с
политикой обработки персональных данных
.
Отправить
Оставьте это поле пустым