Каталог запчастей
Запчасти Камаз
Запчасти Урал
Спецпредложения
О компании
Контакты
7 (3513) 289-777
Отправить готовую заявку
Группа компаний A-GROUP
Каталог
Запчасти УРАЛ
Запчасти КАМАЗ
Двигатель
Система питания
Система выпуска газов
Система охлаждения
Механизмы управления
Рулевое управление
Тормозная система
Кабина и кузов
Кабина
Оперение кабины
Платформа и кузов
Трансмиссия
Коробка передач
Коробка раздаточная
Сцепление
Карданная передача
Мосты
Ходовая часть
Колеса и ступицы
Ось передняя
Подвеска
Рама
Электрооборудование
Приборы
Специальное оборудование
Устройство седельно-сцепное
Лебедка
Газовое оборудование
Прочие запчасти
Инструмент и принадлежности
Рукава и РТИ
Крепеж
Подшипники
Запчасти двигателя
Система выпуска газов
Система охлаждения
Система питания
Кабина и оперение
Передок кабины
Оперение кабины
Боковина кабины
Двери кабины
Задок кабины
Основание кабины
Крыша кабины
Сиденья кабины
Вентиляция и отопление кабины
Трансмиссия
Коробка передач
Раздаточная коробка
Карданный вал
Сцепление
Передний мост
Средний мост
Задний мост
Ходовая часть
Рама
Подвеска балансирная
Колеса и ступицы
Механизмы управления
Рулевое управление
Тормозная система
Платформа
Электрооборудование
Приборы
Оборудование и инструменты
Коробка отбора мощности
Лебедка
Устройство седельно-сцепное
Инструменты
Поиск
Графические каталоги
0
Группа компаний A-GROUP
Поиск
0
+7 (3513) 289-777
Обратный звонок
Отправить готовую заявку
Группа компаний A-GROUP
0
Меню
Поиск
Каталог запчастей
Запчасти Камаз
Запчасти Урал
Спецпредложения
О компании
Контакты
Главная
Графические каталоги
КамАЗ
КамАЗ-4310
Коробка передач
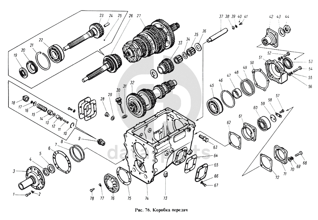
1
2
3
4
5
6
7
8
9
10
11
12
13
14
15
16
17
18
19
20
21
22
23
24
25
26
27
28
29
30
31
32
33
34
35
36
37
38
39
40
41
42
43
44
45
46
47
48
49
50
51
52
53
54
55
56
57
58
59
60
61
62
63
64
65
66
67
68
69
70
71
72
73
74
75
76
77
78
100
%
1
1/13069/21
Болт М10х1,25-6gх30
Кол-во
6
?
Оставить заявку
2
870851
Шайба замковая 10
Кол-во
6
?
Оставить заявку
3
14.1701040
Крышка подшипника
Кол-во
1
?
Узнать цену
14.1701040
Крышка КАМАЗ подшипника вала первичного
ПАО КАМАЗ
под заказ
2 470.61 ₽
В корзину
4
14.1701230-01
Манжета с пружиной в сборе
Кол-во
1
?
Оставить заявку
5
14.1701238-01
Манжета с пружиной в сборе
Кол-во
1
?
Узнать цену
14.1701238-01
Манжета
ПАО КАМАЗ
под заказ
157.73 ₽
В корзину
6
14.1701042
Прокладка крышки первичного вала
Кол-во
1
?
Оставить заявку
7
14.1701035
Прокладка регулировочная
Кол-во
0
?
Узнать цену
14.1701035
Прокладка КПП КАМАЗ 0.2мм
ПАО КАМАЗ
В наличии 36 шт.
49.47 ₽
В корзину
8
14.1701036
Прокладка регулировочная
Кол-во
0
?
Узнать цену
14.1701036
Прокладка КПП КАМАЗ 0.35мм
ПАО КАМАЗ
В наличии 47 шт.
94.34 ₽
В корзину
9
14.1701306
Пробка сливная с магнитом в сборе
Кол-во
1
?
Узнать цену
14.1701306
Пробка сливная КАМАЗ картера масляного КПП
ПАО КАМАЗ
под заказ
2 921.70 ₽
В корзину
10
14.1701315
Кольцо запорное магнита
Кол-во
1
?
Оставить заявку
11
1/03776/03
Винт крепления магнита
Кол-во
1
?
Оставить заявку
12
14.1701310
Магнит
Кол-во
1
?
Оставить заявку
13
870637
Шайба магнита
Кол-во
2
?
Оставить заявку
14
14.1701313
Кожух магнита
Кол-во
1
?
Оставить заявку
15
14.1701314
Кольцо пружинное магнита
Кол-во
7
?
Оставить заявку
16
14.1701312
Основание магнита
Кол-во
1
?
Оставить заявку
17
1/58962/11
Гайка ЕМ6-6Н
Кол-во
1
?
Узнать цену
1/58962/11
Гайка М6Х1 Камаз
ПАО Автодизель (ЯМЗ)
под заказ
14.22 ₽
В корзину
18
14.1701316
Пробка сливная
Кол-во
1
?
Оставить заявку
19
870512
Гайка специальная М52х2-Л-6Н
Кол-во
1
?
Узнать цену
870512
Гайка М52х2.0 КАМАЗ вала первичного 044
ПАО КАМАЗ
В наличии 20 шт.
673.23 ₽
В корзину
20
14.1701096
Кольцо маслонагнетающее
Кол-во
1
?
Узнать цену
14.1701096
Кольцо КАМАЗ вала первичного маслонагнетательное
ПАО КАМАЗ
В наличии 10 шт.
1 530.86 ₽
В корзину
21
14.1701034
Кольцо стопорное
Кол-во
1
?
Оставить заявку
22
15.1701032
Подшипник шариковый первичного вала задний
Кол-во
1
?
Оставить заявку
23
14.1701030
Вал первичный коробки передач
Кол-во
1
?
Узнать цену
14.1701030
Вал КПП КАМАЗ первичный (замена 680815)
ПАО КАМАЗ
под заказ
5 991.70 ₽
В корзину
24
14.1701043
Втулка маслопропускная первичного вала
Кол-во
1
?
Узнать цену
14.1701043
Втулка КАМАЗ маслоперепускная
ПАО КАМАЗ
под заказ
165.17 ₽
В корзину
25
864711
Шарик-фиксатор БV7.938 мм
Кол-во
1
?
Оставить заявку
26
14.1701025
Вал первичный коробки передач в сборе
Кол-во
1
?
Узнать цену
14.1701025
Вал КПП КАМАЗ первичный в сборе
ПАО КАМАЗ
под заказ
18 077.53 ₽
В корзину
27
14.1701100
Вал вторичный коробки передач в сборе
Кол-во
1
?
Узнать цену
14.1701100
Вал КПП КАМАЗ вторичный в сборе
ПАО КАМАЗ
под заказ
88 199.69 ₽
В корзину
28
1/55400/23
Болт М12х1,25-6gх16
Кол-во
6
?
Оставить заявку
29
1/02826/60
Прокладка пробки
Кол-во
6
?
Оставить заявку
30
14.1701440
Указатель уровня масла в коробке передач в сборе
Кол-во
1
?
Узнать цену
14.1701440
Указатель уровня масла КАМАЗ КПП
ПАО КАМАЗ
под заказ
868.00 ₽
В корзину
31
870632
Шайба уплотнительная 30х42х2
Кол-во
1
?
Оставить заявку
32
14.1701047
Вал промежуточный коробки передач в сборе
Кол-во
1
?
Узнать цену
14.1701047
Вал КПП КАМАЗ промежуточный в сборе
ПАО КАМАЗ
В наличии 2 шт.
36 051.83 ₽
В корзину
33
14.1701082
Блок шестерен заднего хода
Кол-во
1
?
Узнать цену
14.1701082
Блок шестерен КПП КАМАЗ заднего хода
ПАО КАМАЗ
под заказ
5 009.84 ₽
В корзину
34
14.1701084
Втулка промежуточная подшипников блока зубчатых колес
Кол-во
1
?
Узнать цену
14.1701084
Втулка КАМАЗ КПП промежуточная подшипников блока шестерен заднего хода
ПАО КАМАЗ
В наличии 9 шт.
94.34 ₽
В корзину
35
14.1701083
Подшипник роликовый
Кол-во
2
?
Оставить заявку
36
14.1701086
Шайба упорная блока шестерен заднего хода в сборе
Кол-во
2
?
Узнать цену
14.1701086
Шайба КАМАЗ блока шестерен заднего хода
ПАО КАМАЗ
В наличии 2 шт.
785.71 ₽
В корзину
37
14.1701092
Ось блока шестерен заднего хода
Кол-во
1
?
Узнать цену
14.1701092
Ось КАМАЗ блока шестерен
ПАО КАМАЗ
В наличии 1 шт.
1 857.39 ₽
В корзину
38
870862
Шайба 11 стопорная
Кол-во
1
?
Оставить заявку
39
1/05168/73
Шайба 10 пружинная
Кол-во
1
?
Оставить заявку
40
870764
Штифт 3,6х5
Кол-во
1
?
Оставить заявку
41
870030
Болт
Кол-во
1
?
Оставить заявку
42
141.1701240
Фланец крепления кардана к вторичному валу
Кол-во
1
?
Узнать цену
141.1701240
Фланец УРАЛ КПП крепления кардана
ПАО КАМАЗ
под заказ
5 834.66 ₽
В корзину
43
14.1701243
Пружина тарельчатая НД 70х40х4х1,5 ГОСТ 3057-90
Кол-во
1
?
Узнать цену
14.1701243
Шайба КАМАЗ тарельчатая вала вторичного
ПАО КАМАЗ
под заказ
257.68 ₽
В корзину
44
870510
Гайка специальная М39х2-6Н
Кол-во
1
?
Узнать цену
870510
Гайка КАМАЗ фланца КПП вала вторичного М39х2-6Н
ПАО КАМАЗ
В наличии 11 шт.
500.33 ₽
В корзину
45
14.170032
Подшипник шариковый вторичного вала задний
Кол-во
1
?
Оставить заявку
46
14.1701034
Кольцо стопорное
Кол-во
0
?
Оставить заявку
47
141.1701242
Втулка распорная
Кол-во
1
?
Узнать цену
141.1701242
Втулка
ПАО КАМАЗ
под заказ
817.71 ₽
В корзину
48
14.1701035
Прокладка регулировочная
Кол-во
0
?
Узнать цену
14.1701035
Прокладка КПП КАМАЗ 0.2мм
ПАО КАМАЗ
В наличии 36 шт.
49.47 ₽
В корзину
49
14.1701036
Прокладка регулировочная
Кол-во
0
?
Узнать цену
14.1701036
Прокладка КПП КАМАЗ 0.35мм
ПАО КАМАЗ
В наличии 47 шт.
94.34 ₽
В корзину
50
14.1701203
Прокладка крышки подшипника
Кол-во
1
?
Оставить заявку
51
141.1701205
Крышка подшипника
Кол-во
1
?
Узнать цену
141.1701205
Крышка
ПАО КАМАЗ
под заказ
4 097.98 ₽
В корзину
52
1/55407/21
Болт М12х1,25-6gх45
Кол-во
3
?
Оставить заявку
53
864180
Манжета с пружиной в сборе
Кол-во
1
?
Оставить заявку
54
1/55414/21
Болт М12х1,25-6gх80
Кол-во
2
?
Оставить заявку
55
1/05170/73
Шайба 12 пружинная
Кол-во
4
?
Оставить заявку
56
1/05200/01
Шайба плоская 12х22х3
Кол-во
5
?
Оставить заявку
57
1/55404/33
Болт М12х1,25-6gх30
Кол-во
2
?
Оставить заявку
58
14.1701076
Планка стопорная болтов упорной шайбы
Кол-во
1
?
Узнать цену
14.1701076
Планка стопорная КПП КАМАЗ вала промежуточного
ПАО КАМАЗ
под заказ
66.27 ₽
В корзину
59
14.1701060
Шайба упорная
Кол-во
1
?
Узнать цену
14.1701060
Шайба упорная
ПАО КАМАЗ
под заказ
246.09 ₽
В корзину
60
14.1701073
Подшипник роликовый сферический
Кол-во
1
?
Оставить заявку
61
14.1701078
Стакан заднего подшипника промежуточного вала
Кол-во
1
?
Узнать цену
14.1701078
Гнездо КАМАЗ подшипника вала промежуточного
ПАО КАМАЗ
В наличии 8 шт.
3 687.33 ₽
В корзину
62
14.1701075
Прокладка крышки заднего подшипника промежуточного вала
Кол-во
1
?
Оставить заявку
63
14.1701350
Рым-болт
Кол-во
2
?
Узнать цену
14.1701350
Рым-болт
ПАО КАМАЗ
под заказ
255.62 ₽
В корзину
64
14.1701021
Прокладка крышки люка
Кол-во
2
?
Оставить заявку
65
14.1701020
Крышка люка привода отбора мощности коробки передач
Кол-во
2
?
Узнать цену
14.1701020
Крышка КАМАЗ люка КПП
ПАО КАМАЗ
под заказ
412.69 ₽
В корзину
66
1/05168/73
Шайба 10 пружинная
Кол-во
0
?
Оставить заявку
67
1/59703/21
Болт М10х1,25-6gх16
Кол-во
12
?
Оставить заявку
68
1/55409/21
Болт М12х1,25-6gх55
Кол-во
4
?
Оставить заявку
69
1/05170/73
Шайба 12 пружинная
Кол-во
0
?
Оставить заявку
70
1/05200/01
Шайба плоская 12х22х3
Кол-во
0
?
Оставить заявку
71
14.1701074
Крышка заднего подшипника промежуточного вала
Кол-во
1
?
Узнать цену
14.1701074
Крышка КАМАЗ подшипника заднего вала промежуточного
ПАО КАМАЗ
В наличии 1 шт.
1 089.51 ₽
В корзину
72
14.1701075
Прокладка крышки заднего подшипника промежуточного вала
Кол-во
0
?
Оставить заявку
73
45 9939 1005
Пробка сливная
Кол-во
1
?
Оставить заявку
74
14.1701015
Картер коробки передач
Кол-во
1
?
Узнать цену
14.1701015
Картер КАМАЗ КПП
ПАО КАМАЗ
под заказ
70 020.46 ₽
В корзину
75
14.1701069
Прокладка
Кол-во
1
?
Оставить заявку
76
14.1701068
Крышка переднего подшипника промежуточного вала
Кол-во
1
?
Узнать цену
14.1701068
Крышка КАМАЗ подшипника вала промежуточного КПП
ПАО КАМАЗ
под заказ
1 729.95 ₽
В корзину
77
870851
Шайба замковая 10
Кол-во
0
?
Оставить заявку
78
1/59707/21
Болт М10х1,25-6gх25
Кол-во
5
?
Оставить заявку
Нужна помощь в подборе запчастей?
Напишите нам и оставьте ваши контактные данные. Мы перезвоним вам в течение 30 минут или раньше!
Кратвольд Елена
Менеджер по продажам
7 (3513) 289-777
koleso787@bk.ru
Вы должны включить JavaScript чтобы использовать эту форму.
Ваш вопрос
Email
Телефон
Отправляя форму вы подтверждаете согласие с
политикой обработки персональных данных
.
Отправить
Оставьте это поле пустым