Каталог запчастей
Запчасти Камаз
Запчасти Урал
Спецпредложения
О компании
Контакты
7 (3513) 289-777
Отправить готовую заявку
Группа компаний A-GROUP
Каталог
Запчасти УРАЛ
Запчасти КАМАЗ
Двигатель
Система питания
Система выпуска газов
Система охлаждения
Механизмы управления
Рулевое управление
Тормозная система
Кабина и кузов
Кабина
Оперение кабины
Платформа и кузов
Трансмиссия
Коробка передач
Коробка раздаточная
Сцепление
Карданная передача
Мосты
Ходовая часть
Колеса и ступицы
Ось передняя
Подвеска
Рама
Электрооборудование
Приборы
Специальное оборудование
Устройство седельно-сцепное
Лебедка
Газовое оборудование
Прочие запчасти
Инструмент и принадлежности
Рукава и РТИ
Крепеж
Подшипники
Запчасти двигателя
Система выпуска газов
Система охлаждения
Система питания
Кабина и оперение
Передок кабины
Оперение кабины
Боковина кабины
Двери кабины
Задок кабины
Основание кабины
Крыша кабины
Сиденья кабины
Вентиляция и отопление кабины
Трансмиссия
Коробка передач
Раздаточная коробка
Карданный вал
Сцепление
Передний мост
Средний мост
Задний мост
Ходовая часть
Рама
Подвеска балансирная
Колеса и ступицы
Механизмы управления
Рулевое управление
Тормозная система
Платформа
Электрооборудование
Приборы
Оборудование и инструменты
Коробка отбора мощности
Лебедка
Устройство седельно-сцепное
Инструменты
Поиск
Графические каталоги
0
Группа компаний A-GROUP
Поиск
0
+7 (3513) 289-777
Обратный звонок
Отправить готовую заявку
Группа компаний A-GROUP
0
Меню
Поиск
Каталог запчастей
Запчасти Камаз
Запчасти Урал
Спецпредложения
О компании
Контакты
Главная
Графические каталоги
КамАЗ
КамАЗ-4310
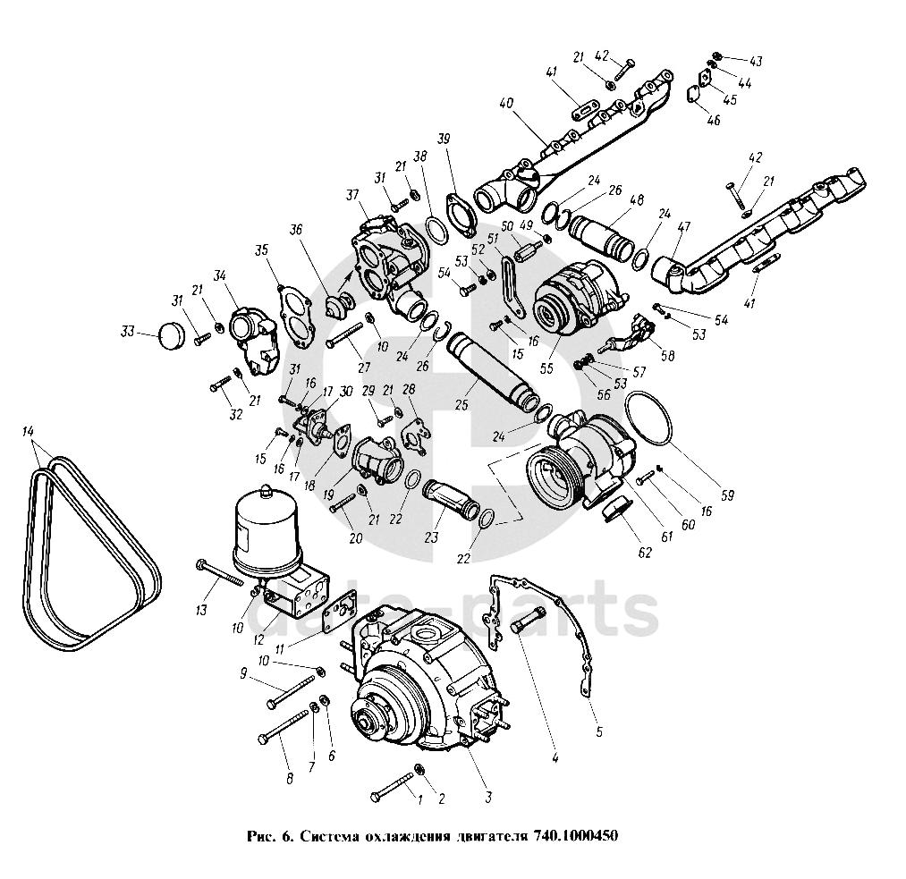
Система охлаждения двигателя
1
2
3
4
5
6
7
8
9
10
10
10
11
12
13
14
15
15
16
16
16
16
17
17
18
19
20
21
21
21
21
21
21
21
22
22
23
24
24
24
24
25
26
26
27
28
29
30
31
31
31
32
33
34
35
36
37
38
39
40
41
41
42
42
43
44
45
46
47
48
49
50
51
52
53
53
53
54
54
55
56
57
58
59
60
61
62
100
%
1
1/55418/31
Болт М12х1,25-6gх120
Кол-во
2
?
Оставить заявку
2
1/26015/73
Шайба волнистая 12
Кол-во
2
?
Оставить заявку
3
740.1318010
Гидромуфта привода вентилятора в сборе
Кол-во
1
?
Узнать цену
740.1318010
Гидромуфта КАМАЗ привода вентилятора
ПАО КАМАЗ
В наличии 2 шт.
61 831.17 ₽
В корзину
4
740.1318082
Вал привода гидромуфты
Кол-во
1
?
Узнать цену
740.1318082
Вал КАМАЗ привода гидромуфты
ПАО КАМАЗ
В наличии 9 шт.
1 128.87 ₽
В корзину
5
740.1002265-10
Прокладка передней крышки блока
Кол-во
1
?
Оставить заявку
6
870628
Шайба плоская 12х26
Кол-во
2
?
Оставить заявку
7
1/05170/73
Шайба 12 пружинная
Кол-во
2
?
Оставить заявку
8
1/55420/31
Болт М12х1,25-6gх140
Кол-во
2
?
Оставить заявку
9
1/59726/31
Болт М10х1,25-6gх140
Кол-во
4
?
Оставить заявку
10
1/26014/73
Шайба 10 волнистая
Кол-во
11
?
Оставить заявку
11
740.1017024-10
Прокладка корпуса центробежного фильтра
Кол-во
1
?
Оставить заявку
12
740.1017010-30
Фильтр центробежный очистки масла
Кол-во
1
?
Оставить заявку
13
1/59722/21
Болт М10х1,25-6gх120
Кол-во
4
?
Оставить заявку
14
740.1307170-20
Ремень «стат» 1-8,5х8х1320
Кол-во
2
?
Узнать цену
740.1307170-20
РЕМЕНЬ "СТАТ"
АО АЗ Урал
под заказ
1 898.62 ₽
В корзину
15
1/60436/21
Болт М8-6gх25
Кол-во
2
?
Оставить заявку
16
1/05166/73
Шайба 8 пружинная
Кол-во
5
?
Оставить заявку
17
1/26467/01
Шайба плоская 8х20х2
Кол-во
2
?
Оставить заявку
18
740.1318218-11
Прокладка включателя гидромуфты
Кол-во
1
?
Оставить заявку
19
740.1303168
Патрубок подводящей трубы
Кол-во
1
?
Узнать цену
740.1303168
Патрубок КАМАЗ включения гидромуфты
ПАО КАМАЗ
под заказ
2 412.04 ₽
В корзину
20
1/60445/21
Болт М8-6gх65
Кол-во
2
?
Оставить заявку
21
1/26013/73
Шайба 8 волнистая
Кол-во
26
?
Оставить заявку
22
740.1303172
Кольцо уплотнительное
Кол-во
2
?
Оставить заявку
23
740.1303152
Труба подводящая правого блока
Кол-во
1
?
Узнать цену
740.1303152
Трубка КАМАЗ насоса водяного подводящая
ПАО КАМАЗ
под заказ
2 405.77 ₽
В корзину
24
740.1303099
Кольцо уплотнительное
Кол-во
4
?
Оставить заявку
25
740.1303090
Труба перепускная водяных термостатов
Кол-во
1
?
Узнать цену
740.1303090
Трубка КАМАЗ перепускная насоса водяного
ПАО КАМАЗ
под заказ
1 486.48 ₽
В корзину
26
740.1303272
Кольцо 48 запорное
Кол-во
2
?
Оставить заявку
27
1/59718/21
Болт М10х1,25-6gх100
Кол-во
3
?
Оставить заявку
28
740.1303024
Прокладка патрубка подводящей трубы
Кол-во
1
?
Оставить заявку
29
1/60438/21
Болт М8-6gх30
Кол-во
1
?
Оставить заявку
30
740.1318210-01
Включатель гидромуфты в сборе
Кол-во
1
?
Узнать цену
740.1318210-01
Включатель гидромуфты КАМАЗ привода вентилятора
ПАО КАМАЗ
В наличии 48 шт.
2 041.77 ₽
В корзину
31
1/60439/21
Болт М8-6gх35
Кол-во
5
?
Оставить заявку
32
1/60442/21
Болт М8-6gх50
Кол-во
3
?
Оставить заявку
33
870835
Заглушка
Кол-во
1
?
Оставить заявку
34
740.1303130
Патрубок водяной коробки
Кол-во
1
?
Узнать цену
740.1303130
Патрубок КАМАЗ коробки водяной
ПАО КАМАЗ
под заказ
4 641.89 ₽
В корзину
35
740.1303214
Прокладка патрубка водяной коробки
Кол-во
1
?
Узнать цену
740.1303214
ПРОКЛАДКА ПАТРУБКА КОРОБКИ ТЕРМОСТАТОВ
АО АЗ Урал
под заказ
17.20 ₽
В корзину
36
ТС 107-1306100-01
Термостат в сборе
Кол-во
2
?
Оставить заявку
37
740.1303176
Коробка водяная в сборе
Кол-во
1
?
Узнать цену
740.1303176
Коробка КАМАЗ-43261 водяная
ПАО КАМАЗ
под заказ
10 662.15 ₽
В корзину
38
740.1303018
Кольцо уплотнительное
Кол-во
1
?
Оставить заявку
39
740.1303016
Фланец соединительный
Кол-во
1
?
Узнать цену
740.1303016
Фланец соединительный
ПАО КАМАЗ
под заказ
1 321.97 ₽
В корзину
40
740.1303100
Труба водяная правая в сборе
Кол-во
1
?
Узнать цену
740.1303100
Труба
ПАО КАМАЗ
под заказ
11 761.72 ₽
В корзину
41
740.1303268
Прокладка
Кол-во
8
?
Оставить заявку
42
1/60433/21
Болт М8х55
Кол-во
16
?
Оставить заявку
43
1/58962/21
Гайка М6-6Н
Кол-во
2
?
Оставить заявку
44
1/05164/73
Шайба 6 пружинная
Кол-во
2
?
Оставить заявку
45
740.3509294
Фланец трубки
Кол-во
1
?
Узнать цену
740.3509294
Фланец КАМАЗ трубки компрессора
ПАО КАМАЗ
под заказ
136.33 ₽
В корзину
46
740.1303128
Прокладка
Кол-во
1
?
Оставить заявку
47
740.1303101
Труба водяная левая в сборе
Кол-во
1
?
Узнать цену
740.1303101
Трубка КАМАЗ водяная левая
ПАО КАМАЗ
под заказ
11 533.34 ₽
В корзину
48
740.1303256
Труба водяная соединительная
Кол-во
1
?
Узнать цену
740.1303256
Трубка КАМАЗ водяная соединительная
АО АЗ Урал
под заказ
2 406.49 ₽
В корзину
740.1303256
Трубка КАМАЗ водяная соединительная
ПАО КАМАЗ
В наличии 1 шт.
1 499.04 ₽
В корзину
49
1/05201/01
Шайба плоская 14,8х26х3
Кол-во
1
?
Оставить заявку
50
740.3701792
Проставка планки
Кол-во
1
?
Узнать цену
740.3701792
Проставка планки
ПАО КАМАЗ
под заказ
399.52 ₽
В корзину
51
740.3701790
Планка крепления генератора
Кол-во
1
?
Узнать цену
740.3701790
Планка генератора КАМАЗ
ПАО КАМАЗ
под заказ
443.77 ₽
В корзину
52
1/26468/01
Шайба плоская 10,2х25х2
Кол-во
1
?
Оставить заявку
53
1/05168/73
Шайба 10 пружинная
Кол-во
4
?
Оставить заявку
54
1/59707/21
Болт М10х1,25-6gх25
Кол-во
3
?
Оставить заявку
55
740.3701008-40
Генератор с пальцем в сборе
Кол-во
1
?
Оставить заявку
56
1/21647/21
Гайка М10х1,25-6Н
Кол-во
1
?
Оставить заявку
57
1/26386/01
Шайба плоская 10,6х18х2
Кол-во
1
?
Оставить заявку
58
740.3701770
Кронштейн генератора в сборе
Кол-во
1
?
Узнать цену
740.3701770
Кронштейн КАМАЗ генератора в сборе
ПАО КАМАЗ
под заказ
2 321.90 ₽
В корзину
59
740.1307075
Кольцо уплотнительное
Кол-во
1
?
Узнать цену
740.1307075
КОЛЬЦО УПЛОТНИТЕЛЬНОЕ
АО АЗ Урал
под заказ
7.74 ₽
В корзину
60
1/60444/21
Болт М8-6gх60
Кол-во
3
?
Оставить заявку
61
740.1307010-02
Насос водяной в сборе
Кол-во
1
?
Узнать цену
740.1307010-02
Насос водяной КАМАЗ
ПАО КАМАЗ
В наличии 4 шт.
15 473.19 ₽
В корзину
62
740.1307266
Заглушка водяного насоса
Кол-во
1
?
Оставить заявку
Нужна помощь в подборе запчастей?
Напишите нам и оставьте ваши контактные данные. Мы перезвоним вам в течение 30 минут или раньше!
Кратвольд Елена
Менеджер по продажам
7 (3513) 289-777
koleso787@bk.ru
Вы должны включить JavaScript чтобы использовать эту форму.
Ваш вопрос
Email
Телефон
Отправляя форму вы подтверждаете согласие с
политикой обработки персональных данных
.
Отправить
Оставьте это поле пустым