Каталог запчастей
Запчасти Камаз
Запчасти Урал
Спецпредложения
О компании
Контакты
+7 (3513) 289-777
Отправить готовую заявку
Группа компаний A-GROUP
Каталог
Запчасти УРАЛ
Запчасти КАМАЗ
Двигатель
Система питания
Система выпуска газов
Система охлаждения
Механизмы управления
Рулевое управление
Тормозная система
Кабина и кузов
Кабина
Оперение кабины
Платформа и кузов
Трансмиссия
Коробка передач
Коробка раздаточная
Сцепление
Карданная передача
Мосты
Ходовая часть
Колеса и ступицы
Ось передняя
Подвеска
Рама
Электрооборудование
Приборы
Специальное оборудование
Устройство седельно-сцепное
Лебедка
Газовое оборудование
Прочие запчасти
Инструмент и принадлежности
Рукава и РТИ
Крепеж
Подшипники
Запчасти двигателя
Система выпуска газов
Система охлаждения
Система питания
Кабина и оперение
Передок кабины
Оперение кабины
Боковина кабины
Двери кабины
Задок кабины
Основание кабины
Крыша кабины
Сиденья кабины
Вентиляция и отопление кабины
Трансмиссия
Коробка передач
Раздаточная коробка
Карданный вал
Сцепление
Передний мост
Средний мост
Задний мост
Ходовая часть
Рама
Подвеска балансирная
Колеса и ступицы
Механизмы управления
Рулевое управление
Тормозная система
Платформа
Электрооборудование
Приборы
Оборудование и инструменты
Коробка отбора мощности
Лебедка
Устройство седельно-сцепное
Инструменты
Поиск
Графические каталоги
0
Группа компаний A-GROUP
Поиск
0
+7 (3513) 289-777
Обратный звонок
Отправить готовую заявку
Группа компаний A-GROUP
0
Меню
Поиск
Каталог запчастей
Запчасти Камаз
Запчасти Урал
Спецпредложения
О компании
Контакты
Главная
Графические каталоги
КамАЗ
КамАЗ-4310
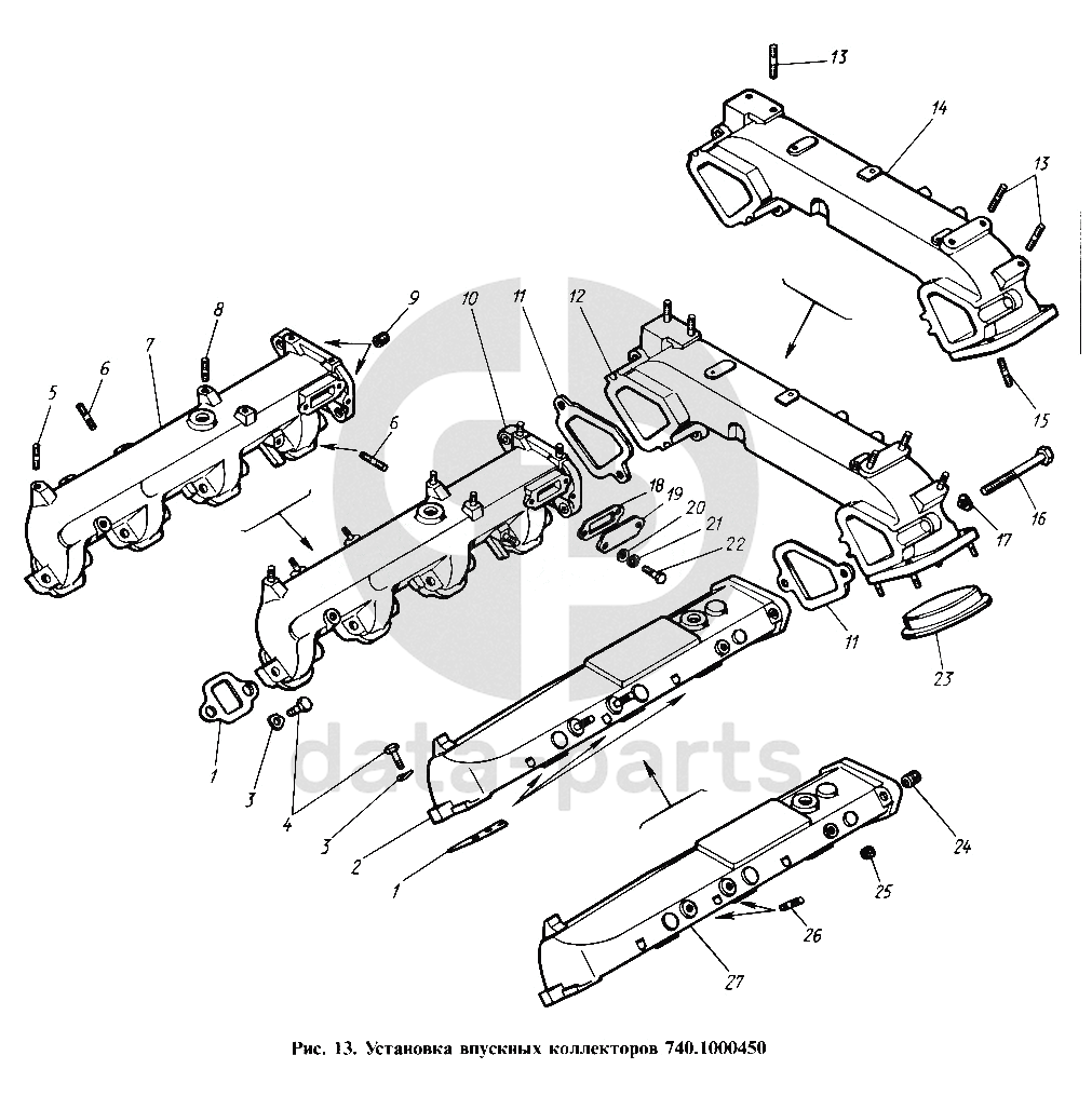
Установка впускных коллекторов
Установка впускных коллекторов КамАЗ-4310
1
1
2
3
3
4
5
6
6
7
8
9
10
11
11
12
13
13
14
15
16
17
18
19
20
21
22
23
24
25
26
27
100
%
1
740.1115026-01
Прокладка впускного коллектора
Кол-во
8
?
Узнать цену
740.1115026-01
Прокладка КАМАЗ коллектора впускного УРАЛАТИ
АО АЗ Урал
под заказ
28 ₽
В корзину
2
740.1115014
Коллектор впускной левый в сборе
Кол-во
1
?
Узнать цену
740.1115014
Коллектор впускной левый
ПАО КАМАЗ
под заказ
18 670 ₽
В корзину
3
1/26014/73
Шайба 10 волнистая
Кол-во
16
?
Оставить заявку
4
1/59707/21
Болт М10х1,25-6gх25
Кол-во
16
?
Оставить заявку
5
1/35433/21
Шпилька М8х1,25х16х20
Кол-во
1
?
Оставить заявку
6
1/35436/21
Шпилька М8х1,25х16х30
Кол-во
3
?
Оставить заявку
7
740.1115020
Коллектор впускной правый
Кол-во
1
?
Оставить заявку
8
1/35431/21
Шпилька М8х1,25-16х16
Кол-во
4
?
Оставить заявку
9
740.1115150
Ввертыш
Кол-во
2
?
Узнать цену
740.1115150
Ввертыш КАМАЗ коллектора впускного
ПАО КАМАЗ
В наличии 4 шт.
141 ₽
В корзину
10
740.1115012
Коллектор впускной правый в сборе
Кол-во
1
?
Узнать цену
740.1115012
Коллектор впускной правый
ПАО КАМАЗ
под заказ
17 318 ₽
В корзину
11
740.1115036-01
Прокладка
Кол-во
2
?
Оставить заявку
12
740.1115030
Патрубок соединительный
Кол-во
1
?
Оставить заявку
13
1/35465/21
Шпилька М10х1,25х20х30
Кол-во
5
?
Оставить заявку
14
740-1115032
Патрубок соединительный
Кол-во
1
?
Оставить заявку
15
1/34497/21
Шпилька М10х1,25х15х30
Кол-во
4
?
Оставить заявку
16
1/59716/21
Болт М10х1,25-6gх90
Кол-во
4
?
Оставить заявку
17
1/26014/73
Шайба 10 волнистая
Кол-во
0
?
Оставить заявку
18
740.3509413
Прокладка патрубка компрессора
Кол-во
1
?
Оставить заявку
19
740-1115040
Заглушка
Кол-во
1
?
Оставить заявку
20
1/05196/01
Шайба плоская 8х17
Кол-во
2
?
Узнать цену
1/05196/01
Шайба 8*17 1/05196
ПАО Автодизель (ЯМЗ)
под заказ
20 ₽
В корзину
21
1/05166/73
Шайба 8 пружинная
Кол-во
2
?
Оставить заявку
22
1/60436/21
Болт М8-6gх25
Кол-во
2
?
Оставить заявку
23
740-1115118
Заглушка транспортная
Кол-во
1
?
Оставить заявку
24
740.1115150
Ввертыш
Кол-во
0
?
Узнать цену
740.1115150
Ввертыш КАМАЗ коллектора впускного
ПАО КАМАЗ
В наличии 4 шт.
141 ₽
В корзину
25
870884
Пробка КГ 1/8" масляного канала
Кол-во
1
?
Оставить заявку
26
1/35436/21
Шпилька М8х1,25х16х30
Кол-во
0
?
Оставить заявку
27
740-1115021
Коллектор впускной левый
Кол-во
1
?
Узнать цену
740.1115021
Коллектор впускной левый
ПАО КАМАЗ
под заказ
11 352 ₽
В корзину
Нужна помощь в подборе запчастей?
Напишите нам и оставьте ваши контактные данные. Мы перезвоним вам в течение 30 минут или раньше!
Кратвольд Елена
Менеджер по продажам
7 (3513) 289-777
koleso787@bk.ru
Вы должны включить JavaScript чтобы использовать эту форму.
Ваш вопрос
Email
Телефон
Отправляя форму вы подтверждаете согласие с
политикой обработки персональных данных
.
Отправить
Оставьте это поле пустым