Каталог запчастей
Запчасти Камаз
Запчасти Урал
Спецпредложения
О компании
Контакты
+7 (3513) 289-777
Отправить готовую заявку
Группа компаний A-GROUP
Каталог
Запчасти УРАЛ
Запчасти КАМАЗ
Двигатель
Система питания
Система выпуска газов
Система охлаждения
Механизмы управления
Рулевое управление
Тормозная система
Кабина и кузов
Кабина
Оперение кабины
Платформа и кузов
Трансмиссия
Коробка передач
Коробка раздаточная
Сцепление
Карданная передача
Мосты
Ходовая часть
Колеса и ступицы
Ось передняя
Подвеска
Рама
Электрооборудование
Приборы
Специальное оборудование
Устройство седельно-сцепное
Лебедка
Газовое оборудование
Прочие запчасти
Инструмент и принадлежности
Рукава и РТИ
Крепеж
Подшипники
Запчасти двигателя
Система выпуска газов
Система охлаждения
Система питания
Кабина и оперение
Передок кабины
Оперение кабины
Боковина кабины
Двери кабины
Задок кабины
Основание кабины
Крыша кабины
Сиденья кабины
Вентиляция и отопление кабины
Трансмиссия
Коробка передач
Раздаточная коробка
Карданный вал
Сцепление
Передний мост
Средний мост
Задний мост
Ходовая часть
Рама
Подвеска балансирная
Колеса и ступицы
Механизмы управления
Рулевое управление
Тормозная система
Платформа
Электрооборудование
Приборы
Оборудование и инструменты
Коробка отбора мощности
Лебедка
Устройство седельно-сцепное
Инструменты
Поиск
Графические каталоги
0
Группа компаний A-GROUP
Поиск
0
+7 (3513) 289-777
Обратный звонок
Отправить готовую заявку
Группа компаний A-GROUP
0
Меню
Поиск
Каталог запчастей
Запчасти Камаз
Запчасти Урал
Спецпредложения
О компании
Контакты
Главная
Графические каталоги
КамАЗ
КамАЗ-4310
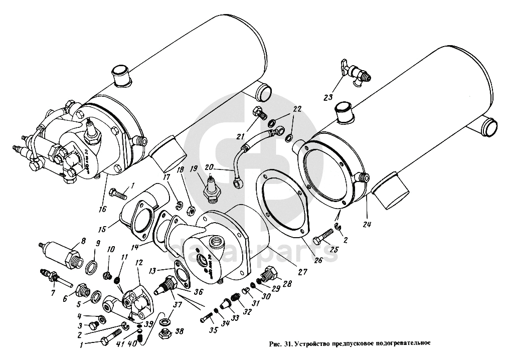
Устройство предпусковое подогревательное(5)
Устройство предпусковое подогревательное(5) КамАЗ-4310
1
1
2
2
3
4
5
6
7
8
9
10
11
12
13
14
15
16
17
18
19
20
21
22
23
24
25
26
27
28
29
30
31
32
33
34
35
36
37
38
39
40
41
100
%
1
1/09022/21
Болт ТЕМ6-6gх16
Кол-во
4
?
Оставить заявку
2
1/05166/77
Шайба 8 пружинная
Кол-во
6
?
Оставить заявку
3
ПЖД-30-1015532-04
Болт спуска воздуха
Кол-во
1
?
Оставить заявку
4
ПЖД-600-1015622
Прокладка форсунки
Кол-во
1
?
Оставить заявку
5
ПЖД-30-1015529-04
Прокладка
Кол-во
1
?
Оставить заявку
6
ПЖД-30-1015530-04
Втулка
Кол-во
1
?
Оставить заявку
7
11-3741060
Электронагреватель
Кол-во
1
?
Оставить заявку
8
ПДЖ-30-1015501-04
Электромагнит с клапаном в сборе
Кол-во
1
?
Оставить заявку
9
ПДЖ-600-1015842-Б
Прокладка уплотнительная
Кол-во
1
?
Оставить заявку
10
ПЖД-30-1015506-01
Штуцер
Кол-во
1
?
Оставить заявку
11
ПЖД-30-1015508-01
Прокладка
Кол-во
0
?
Оставить заявку
12
ПЖД-30-1015505-04
Корпус с седлом в сборе
Кол-во
1
?
Оставить заявку
13
ПЖД-600-1015126
Прокладка уплотнительная
Кол-во
1
?
Оставить заявку
14
ПЖД-30-1015129
Прокладка уплотнительная
Кол-во
1
?
Оставить заявку
15
ПЖД-30-1015150
Патрубок воздухоподводящий в сборе
Кол-во
1
?
Оставить заявку
16
ПЖД-30-1015010-01
Котел подогревателя в сборе
Кол-во
1
?
Оставить заявку
17
1/05164/77
Шайба 6 пружинная
Кол-во
2
?
Оставить заявку
18
1/58962/11
Гайка ЕМ6-6Н
Кол-во
2
?
Узнать цену
1/58962/11
Гайка М6Х1 Камаз
ПАО Автодизель (ЯМЗ)
под заказ
15 ₽
В корзину
19
СП-423-3707000
Свеча зажигания искровая
Кол-во
1
?
Оставить заявку
20
ПЖД-30-1015160
Трубка топливная в сборе
Кол-во
1
?
Оставить заявку
21
ПЖД-30-1015135-10
Штуцер топливный
Кол-во
2
?
Оставить заявку
22
ПЖД-30-1015137
Прокладка штуцера
Кол-во
4
?
Оставить заявку
23
5320-8105010
Кран сливной в сборе
Кол-во
1
?
Узнать цену
5320-8105010
Кран КАМАЗ радиатора сливной
ПАО КАМАЗ
В наличии 29 шт.
732 ₽
В корзину
24
ПЖД-30-1015012-20
Теплообменник в сборе
Кол-во
1
?
Оставить заявку
25
1/60432/21
Болт М8-6gх16
Кол-во
4
?
Оставить заявку
26
ПЖД-30-1015123
Прокладка уплотнительная
Кол-во
1
?
Оставить заявку
27
ПЖД-30-1015100-10
Горелка в сборе
Кол-во
1
?
Оставить заявку
28
ПЖД-30-1015611-10
Корпус форсунки
Кол-во
1
?
Оставить заявку
29
ПЖД-30-1015619
Прокладка распылителя
Кол-во
1
?
Оставить заявку
30
ПЖД-30-1015620-10
Распылитель
Кол-во
1
?
Оставить заявку
31
ПЖД-30-1015621-10
Проставка
Кол-во
1
?
Оставить заявку
32
ПЖД-30-1015612-10
Винт
Кол-во
1
?
Оставить заявку
33
ПЖД-600-1015616
Фильтр форсунки
Кол-во
1
?
Оставить заявку
34
2101-1107650
Шайба
Кол-во
1
?
Оставить заявку
35
ПЖД-30-1015618
Винт
Кол-во
1
?
Оставить заявку
36
ПЖД-30-1015610-10
Форсунка в сборе
Кол-во
1
?
Оставить заявку
37
ПЖД-600-1015622
Прокладка форсунки
Кол-во
0
?
Оставить заявку
38
ПЖД-30-1015512-04
Корпус фильтра
Кол-во
1
?
Оставить заявку
39
51-1106100-Б
Уплотнитель
Кол-во
1
?
Оставить заявку
40
201-1015935-Б
Пружина
Кол-во
1
?
Оставить заявку
41
Ар20-1112145
Фильтр в сборе
Кол-во
1
?
Оставить заявку
Нужна помощь в подборе запчастей?
Напишите нам и оставьте ваши контактные данные. Мы перезвоним вам в течение 30 минут или раньше!
Кратвольд Елена
Менеджер по продажам
7 (3513) 289-777
koleso787@bk.ru
Вы должны включить JavaScript чтобы использовать эту форму.
Ваш вопрос
Email
Телефон
Отправляя форму вы подтверждаете согласие с
политикой обработки персональных данных
.
Отправить
Оставьте это поле пустым