Каталог запчастей
Запчасти Камаз
Запчасти Урал
Спецпредложения
О компании
Контакты
7 (3513) 289-777
Отправить готовую заявку
Группа компаний A-GROUP
Каталог
Запчасти УРАЛ
Запчасти КАМАЗ
Двигатель
Система питания
Система выпуска газов
Система охлаждения
Механизмы управления
Рулевое управление
Тормозная система
Кабина и кузов
Кабина
Оперение кабины
Платформа и кузов
Трансмиссия
Коробка передач
Коробка раздаточная
Сцепление
Карданная передача
Мосты
Ходовая часть
Колеса и ступицы
Ось передняя
Подвеска
Рама
Электрооборудование
Приборы
Специальное оборудование
Устройство седельно-сцепное
Лебедка
Газовое оборудование
Прочие запчасти
Инструмент и принадлежности
Рукава и РТИ
Крепеж
Подшипники
Запчасти двигателя
Система выпуска газов
Система охлаждения
Система питания
Кабина и оперение
Передок кабины
Оперение кабины
Боковина кабины
Двери кабины
Задок кабины
Основание кабины
Крыша кабины
Сиденья кабины
Вентиляция и отопление кабины
Трансмиссия
Коробка передач
Раздаточная коробка
Карданный вал
Сцепление
Передний мост
Средний мост
Задний мост
Ходовая часть
Рама
Подвеска балансирная
Колеса и ступицы
Механизмы управления
Рулевое управление
Тормозная система
Платформа
Электрооборудование
Приборы
Оборудование и инструменты
Коробка отбора мощности
Лебедка
Устройство седельно-сцепное
Инструменты
Поиск
Графические каталоги
0
Группа компаний A-GROUP
Поиск
0
+7 (3513) 289-777
Обратный звонок
Отправить готовую заявку
Группа компаний A-GROUP
0
Меню
Поиск
Каталог запчастей
Запчасти Камаз
Запчасти Урал
Спецпредложения
О компании
Контакты
Главная
Графические каталоги
КамАЗ
Общий (см. мод-ции)
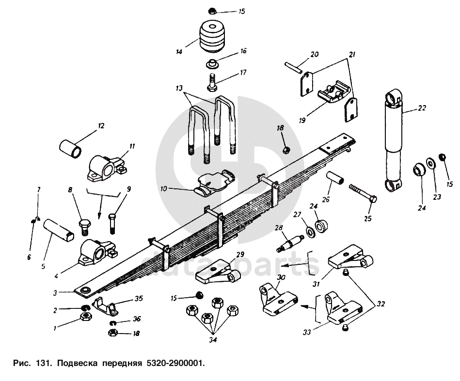
Подвеска передняя
1
2
3
4
5
6
7
8
9
10
11
12
13
14
15
15
15
16
17
18
18
19
20
21
22
23
24
24
25
26
27
28
29
30
31
32
33
34
35
36
100
%
1
1/21643/11
Гайка М20х1,25-6Н
Кол-во
2
?
Узнать цену
1/21643/11
Гайка М20х1.5-Н6 многоцелевая
АО АЗ Урал
под заказ
43.64 ₽
В корзину
2
1/05174/77
Шайба 20 пружинная
Кол-во
2
?
Оставить заявку
3
5320-2902012
Рессора передняя в сборе
Кол-во
2
?
Оставить заявку
4
5320-2902020
Ушко со втулкой в сборе
Кол-во
2
?
Оставить заявку
5
5320-2902478
Палец ушка
Кол-во
2
?
Узнать цену
5320-2902478
Палец КАМАЗ ушка рессоры
ПАО КАМАЗ
В наличии 2 шт.
1 442.61 ₽
В корзину
6
864006
Масленка 1.3.Ц6хр.ГОСТ 19853-74
Кол-во
2
?
Оставить заявку
7
864010
Штуцер масленки КГ1/8"
Кол-во
2
?
Оставить заявку
8
Болт М20х1,5-6gх45
Болт М20х1,5-6gх45
Кол-во
2
?
Оставить заявку
9
1/12541/21
Болт М16х1,5-6gх80
Кол-во
4
?
Оставить заявку
10
5320-2902412
Накладка рессоры
Кол-во
2
?
Узнать цену
5320-2902412
Накладка КАМАЗ рессоры передней
ПАО КАМАЗ
В наличии 6 шт.
1 270.25 ₽
В корзину
11
5320-2902126
Ушко передней рессоры
Кол-во
1
?
Узнать цену
5320-2902126
Ушко рессоры КАМАЗ передней
ПАО КАМАЗ
В наличии 33 шт.
1 707.02 ₽
В корзину
12
5320-2902028
Втулка ушка
Кол-во
1
?
Оставить заявку
13
5320-2902408
Стремянка
Кол-во
4
?
Узнать цену
5320-2902408
Стремянка КАМАЗ-5320 5511 рессоры передней h=240мм
ПАО КАМАЗ
В наличии 15 шт.
763.72 ₽
В корзину
14
5320-2902624
Буфер передней рессоры
Кол-во
2
?
Узнать цену
5320-2902624
Буфер КАМАЗ подвески передней
АО АЗ Урал
под заказ
1 309.28 ₽
В корзину
15
251649
Гайка М16х1,5-6Н ОСТ 37.001.197-97
Кол-во
10
?
Оставить заявку
16
5320-2902635
Втулка буфера в сборе
Кол-во
2
?
Узнать цену
5320-2902635
Втулка КАМАЗ буфера рессоры передней
ПАО КАМАЗ
под заказ
178.17 ₽
В корзину
17
1/58405/31
Болт М16х1,5-6gх50
Кол-во
2
?
Оставить заявку
18
1/21640/11
Гайка М14х1,5-6Н
Кол-во
6
?
Оставить заявку
19
5320-2902520
Сухарь
Кол-во
2
?
Узнать цену
5320-2902520
Сухарь КАМАЗ рессоры передней
ПАО КАМАЗ
В наличии 16 шт.
1 529.36 ₽
В корзину
20
5320-2902547
Палец сухаря
Кол-во
2
?
Оставить заявку
21
5320-2902545
Вкладыш
Кол-во
4
?
Оставить заявку
22
53212-2905006
Амортизатор в сборе
Кол-во
2
?
Оставить заявку
23
53212-2905576
Шайба упорная
Кол-во
2
?
Узнать цену
53212-2905576
Шайба КАМАЗ упорная втулки амортизатора
ПАО КАМАЗ
В наличии 9 шт.
165.94 ₽
В корзину
24
53212-2905486
Втулка крепления амортизатора
Кол-во
4
?
Оставить заявку
25
1/14221/31
Болт М14х1,5-6gх130
Кол-во
2
?
Оставить заявку
26
5320-2902487
Втулка стяжного болта
Кол-во
2
?
Оставить заявку
27
53212-2905574
Шайба упорная
Кол-во
2
?
Узнать цену
53212-2905574
Шайба КАМАЗ упорная пальца амортизатора
ПАО КАМАЗ
под заказ
84.94 ₽
В корзину
28
53212-2905418
Палец крепления амортизатора
Кол-во
4
?
Узнать цену
53212-2905418
Палец КАМАЗ крепления амортизатора
ПАО КАМАЗ
В наличии 5 шт.
960.95 ₽
В корзину
29
5320-2905535
Кронштейн амортизатора нижний левый в сборе
Кол-во
1
?
Узнать цену
5320-2905535
Кронштейн КАМАЗ амортизатора левый в сборе
ПАО КАМАЗ
под заказ
2 023.12 ₽
В корзину
30
5320-2905534
Кронштейн амортизатора нижний правый в сборе
Кол-во
1
?
Узнать цену
5320-2905534
Кронштейн КАМАЗ амортизатора правый в сборе
ПАО КАМАЗ
под заказ
2 023.12 ₽
В корзину
31
5320-2905519
Кронштейн левый
Кол-во
1
?
Оставить заявку
32
5320-2918428
Фиксатор
Кол-во
1
?
Узнать цену
5320-2918428
Фиксатор КАМАЗ башмака рессоры
ПАО КАМАЗ
В наличии 42 шт.
86.75 ₽
В корзину
33
5320-2905518
Кронштейн амортизатора правый
Кол-во
1
?
Оставить заявку
34
853525
Гайка М20х1,5-6Н
Кол-во
8
?
Оставить заявку
35
5320-2902128-18
Накладка ушка
Кол-во
2
?
Оставить заявку
36
1/05172/77
Шайба 16 пружинная
Кол-во
4
?
Оставить заявку
Нужна помощь в подборе запчастей?
Напишите нам и оставьте ваши контактные данные. Мы перезвоним вам в течение 30 минут или раньше!
Кратвольд Елена
Менеджер по продажам
7 (3513) 289-777
koleso787@bk.ru
Вы должны включить JavaScript чтобы использовать эту форму.
Ваш вопрос
Email
Телефон
Отправляя форму вы подтверждаете согласие с
политикой обработки персональных данных
.
Отправить
Оставьте это поле пустым