Каталог запчастей
Запчасти Камаз
Запчасти Урал
Спецпредложения
О компании
Контакты
+7 (3513) 289-777
Отправить готовую заявку
Группа компаний A-GROUP
Каталог
Запчасти УРАЛ
Запчасти КАМАЗ
Двигатель
Система питания
Система выпуска газов
Система охлаждения
Механизмы управления
Рулевое управление
Тормозная система
Кабина и кузов
Кабина
Оперение кабины
Платформа и кузов
Трансмиссия
Коробка передач
Коробка раздаточная
Сцепление
Карданная передача
Мосты
Ходовая часть
Колеса и ступицы
Ось передняя
Подвеска
Рама
Электрооборудование
Приборы
Специальное оборудование
Устройство седельно-сцепное
Лебедка
Газовое оборудование
Прочие запчасти
Инструмент и принадлежности
Рукава и РТИ
Крепеж
Подшипники
Запчасти двигателя
Система выпуска газов
Система охлаждения
Система питания
Кабина и оперение
Передок кабины
Оперение кабины
Боковина кабины
Двери кабины
Задок кабины
Основание кабины
Крыша кабины
Сиденья кабины
Вентиляция и отопление кабины
Трансмиссия
Коробка передач
Раздаточная коробка
Карданный вал
Сцепление
Передний мост
Средний мост
Задний мост
Ходовая часть
Рама
Подвеска балансирная
Колеса и ступицы
Механизмы управления
Рулевое управление
Тормозная система
Платформа
Электрооборудование
Приборы
Оборудование и инструменты
Коробка отбора мощности
Лебедка
Устройство седельно-сцепное
Инструменты
Поиск
Графические каталоги
0
Группа компаний A-GROUP
Поиск
0
+7 (3513) 289-777
Обратный звонок
Отправить готовую заявку
Группа компаний A-GROUP
0
Меню
Поиск
Каталог запчастей
Запчасти Камаз
Запчасти Урал
Спецпредложения
О компании
Контакты
Главная
Графические каталоги
КамАЗ
Общий (см. мод-ции)
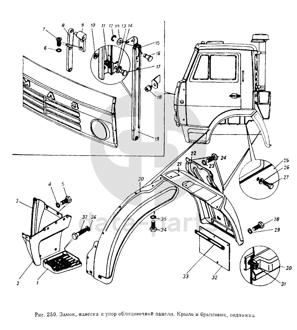
Замок, навеска и упор облицовочной панели. Крыло и брызговик, подножка
Замок, навеска и упор облицовочной панели. Крыло и брызговик, подножка Общий (см. мод-ции)
1
2
3
4
5
6
7
8
9
10
10
11
12
13
14
15
16
17
18
19
20
21
22
23
24
25
26
27
28
29
30
31
32
33
34
35
36
37
100
%
1
5320-8405015
Подножка левая
Кол-во
1
?
Узнать цену
5320-8405015
Подножка КАМАЗ левая алюминиевая
ПАО КАМАЗ
В наличии 10 шт.
1 832 ₽
В корзину
2
5320-8405111
Щиток подножки левый в сборе
Кол-во
1
?
Узнать цену
5320-8405111
Щиток КАМАЗ подножки левый
ПАО КАМАЗ
В наличии 4 шт.
1 931 ₽
В корзину
3
5320-8403275
Щиток грязевой левый в сборе
Кол-во
1
?
Узнать цену
5320-8403275
Щиток КАМАЗ-5320 грязевой левый в сборе
ПАО КАМАЗ
В наличии 11 шт.
2 224 ₽
В корзину
4
1/06156/73
Шайба 8 зубчатая
Кол-во
0
?
Оставить заявку
5
1/60431/21
Болт М8-6gх14
Кол-во
0
?
Оставить заявку
6
1/26068/71
Шайба 6 зубчатая
Кол-во
8
?
Оставить заявку
7
1/33015/01
Винт с крестообразным шлицем М6-6gх20
Кол-во
8
?
Оставить заявку
8
5320-8407035
Пластина петли левая
Кол-во
1
?
Узнать цену
5320-8407035
Пластина
ПАО КАМАЗ
под заказ
220 ₽
В корзину
9
5320-8407011
Петля облицовочной панели левая в сборе
Кол-во
1
?
Узнать цену
5320-8407011
Петля КАМАЗ-5320 капота левая в сборе
ПАО КАМАЗ
под заказ
279 ₽
В корзину
10
1/05194/01
Шайба плоская 6х12х1,5
Кол-во
6
?
Оставить заявку
11
1/26427/01
Шайба плоская 8,45х12х1
Кол-во
4
?
Оставить заявку
12
1/10877/76
Шайба стопорная 5х11х0,7
Кол-во
4
?
Оставить заявку
13
5320-8407141
Собачка упора
Кол-во
2
?
Оставить заявку
14
1/26013/71
Шайба 8 волнистая
Кол-во
2
?
Оставить заявку
15
5320-8407134
Обойма упора в сборе
Кол-во
2
?
Оставить заявку
16
853778
Палец 6х10
Кол-во
4
?
Оставить заявку
17
1/38627/00
Заклепка 8х12
Кол-во
2
?
Оставить заявку
18
5320-8401296
Буфер
Кол-во
4
?
Оставить заявку
19
6320-8407138
Стойка упора в сборе
Кол-во
2
?
Оставить заявку
20
5320-8403013
Панель передней части крыла левая в сборе
Кол-во
1
?
Узнать цену
5320-8403013
Крыло КАМАЗ-5320 левое передняя часть Н/О
ПАО КАМАЗ
В наличии 9 шт.
3 023 ₽
В корзину
21
5320-8403021
Панель левая в сборе
Кол-во
1
?
Узнать цену
5320-8403021
Крыло КАМАЗ-5320 левое задняя часть
ПАО КАМАЗ
под заказ
5 337 ₽
В корзину
22
5320-8403155
Кронштейн задней части крыла
Кол-во
0
?
Узнать цену
5320-8403155
Кронштейн левый
ПАО КАМАЗ
под заказ
1 938 ₽
В корзину
23
1/06156/73
Шайба 8 зубчатая
Кол-во
0
?
Оставить заявку
24
1/60431/21
Болт М8-6gх14
Кол-во
0
?
Оставить заявку
25
5320-8403291
Фартук брызговика нижний
Кол-во
2
?
Оставить заявку
26
1/05194/01
Шайба плоская 6х12х1,5
Кол-во
0
?
Оставить заявку
27
1/09022/21
Болт ТЕМ6-6gх16
Кол-во
16
?
Оставить заявку
28
1/60432/21
Болт М8-6gх16
Кол-во
4
?
Оставить заявку
29
1/06156/73
Шайба 8 зубчатая
Кол-во
0
?
Оставить заявку
30
5320-8202011-01
Ручка подъема кабины
Кол-во
1
?
Узнать цену
5320-8202011-01
Ручка
ПАО КАМАЗ
В наличии 1 шт.
350 ₽
В корзину
31
1/33039/11
Винт М8-6gх30
Кол-во
1
?
Оставить заявку
32
5320-8403185
Щиток грязевой задней части крыла нижний
Кол-во
2
?
Оставить заявку
33
5320-8403186
Планка крепления нижнего грязевого щитка в сборе
Кол-во
2
?
Узнать цену
5320-8403186
Планка
ПАО КАМАЗ
под заказ
234 ₽
В корзину
34
1/60431/21
Болт М8-6gх14
Кол-во
0
?
Оставить заявку
35
1/06156/73
Шайба 8 зубчатая
Кол-во
0
?
Оставить заявку
36
1/05166/77
Шайба 8 пружинная
Кол-во
10
?
Оставить заявку
37
1/60434/21
Болт М8-6gх20
Кол-во
10
?
Оставить заявку
Нужна помощь в подборе запчастей?
Напишите нам и оставьте ваши контактные данные. Мы перезвоним вам в течение 30 минут или раньше!
Кратвольд Елена
Менеджер по продажам
7 (3513) 289-777
koleso787@bk.ru
Вы должны включить JavaScript чтобы использовать эту форму.
Ваш вопрос
Email
Телефон
Отправляя форму вы подтверждаете согласие с
политикой обработки персональных данных
.
Отправить
Оставьте это поле пустым