Каталог запчастей
Запчасти Камаз
Запчасти Урал
Спецпредложения
О компании
Контакты
+7 (3513) 289-777
Отправить готовую заявку
Группа компаний A-GROUP
Каталог
Запчасти УРАЛ
Запчасти КАМАЗ
Двигатель
Система питания
Система выпуска газов
Система охлаждения
Механизмы управления
Рулевое управление
Тормозная система
Кабина и кузов
Кабина
Оперение кабины
Платформа и кузов
Трансмиссия
Коробка передач
Коробка раздаточная
Сцепление
Карданная передача
Мосты
Ходовая часть
Колеса и ступицы
Ось передняя
Подвеска
Рама
Электрооборудование
Приборы
Специальное оборудование
Устройство седельно-сцепное
Лебедка
Газовое оборудование
Прочие запчасти
Инструмент и принадлежности
Рукава и РТИ
Крепеж
Подшипники
Запчасти двигателя
Система выпуска газов
Система охлаждения
Система питания
Кабина и оперение
Передок кабины
Оперение кабины
Боковина кабины
Двери кабины
Задок кабины
Основание кабины
Крыша кабины
Сиденья кабины
Вентиляция и отопление кабины
Трансмиссия
Коробка передач
Раздаточная коробка
Карданный вал
Сцепление
Передний мост
Средний мост
Задний мост
Ходовая часть
Рама
Подвеска балансирная
Колеса и ступицы
Механизмы управления
Рулевое управление
Тормозная система
Платформа
Электрооборудование
Приборы
Оборудование и инструменты
Коробка отбора мощности
Лебедка
Устройство седельно-сцепное
Инструменты
Поиск
Графические каталоги
0
Группа компаний A-GROUP
Поиск
0
+7 (3513) 289-777
Обратный звонок
Отправить готовую заявку
Группа компаний A-GROUP
0
Меню
Поиск
Каталог запчастей
Запчасти Камаз
Запчасти Урал
Спецпредложения
О компании
Контакты
Главная
Графические каталоги
КамАЗ
КамАЗ-65226
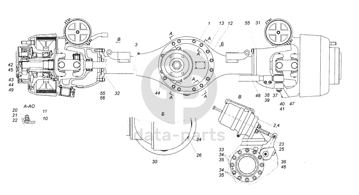
65228-2300319-10 Мост передний
65228-2300319-10 Мост передний КамАЗ-65226
1
1
2
3
4
10
11
13
20
21
22
23
24
25
26
12
30
31
32
33
34
34
35
35
36
37
38
39
40
41
42
43
44
44
45
46
47
48
49
55
55
56
100
%
1
6522-2302010-20
Передача главная переднего моста
Кол-во
1
?
Узнать цену
6522-2302010-20
Редуктор переднего моста КАМАЗ 31/15 (6.33)
ПАО КАМАЗ
под заказ
201 941 ₽
В корзину
1
6522-2302010-10
Передача главная переднего моста
Кол-во
1
?
Узнать цену
6522-2302010-10
Редуктор переднего моста КАМАЗ-6520 6522 35/21 (5.11)
ПАО КАМАЗ
под заказ
201 941 ₽
В корзину
2
65228-3519500
Камера тормозная правая тип 30/24
Кол-во
1
?
Оставить заявку
3
864000-10
Клапан предохранительный крышки в сборе
Кол-во
1
?
Узнать цену
864000-10
Клапан КАМАЗ-ЕВРО предохранительный (сапун)
ПАО КАМАЗ
В наличии 36 шт.
209 ₽
В корзину
4
65228-3519501
Камера тормозная левая тип 30/24
Кол-во
1
?
Узнать цену
65228-3519501
Камера тормозная
ПАО КАМАЗ
под заказ
62 912 ₽
В корзину
10
6520-2402034
Прокладка картера
Кол-во
1
?
Оставить заявку
11
5320-2403072
Втулка разжимная шпильки полуоси
Кол-во
4
?
Узнать цену
5320-2403072
Втулка КАМАЗ разжимная шпильки полуоси d=16мм
ПАО КАМАЗ
В наличии 86 шт.
47 ₽
В корзину
12
33.1111910
Гвоздь нарезной
Кол-во
4
?
Оставить заявку
13
6520-3904030
Табличка заводская ведущего моста
Кол-во
1
?
Оставить заявку
20
1/21641/21
Гайка М16х1,5-6Н
Кол-во
19
?
Оставить заявку
21
1/05172/77
Шайба 16 пружинная
Кол-во
19
?
Оставить заявку
22
1/18005/31
Шпилька М16х1,5-6gх22х40
Кол-во
15
?
Оставить заявку
23
1/07969/01
Шплинт 3,7х25
Кол-во
2
?
Оставить заявку
24
1/43253/01
Пробка резьбовая коническая 22х1,5
Кол-во
1
?
Оставить заявку
25
260108
Палец 14х35 ОСТ-37.001.163-97
Кол-во
2
?
Оставить заявку
26
864341
Пробка КГ 1/8"
Кол-во
1
?
Оставить заявку
30
2101-2401046
Пробка магнитная в сборе
Кол-во
1
?
Оставить заявку
31
45104230007890
Комплект для переднего моста 319.2-00.00.00
Кол-во
1
?
Оставить заявку
32
45104240100190
Шайба направляющая 41-065-5099
Кол-во
2
?
Оставить заявку
33
45104230000390
Болт М18x1,5x60 41-042-5201
Кол-во
12
?
Оставить заявку
34
45104230000490
Гайка М18х1,5
Кол-во
24
?
Оставить заявку
35
45104230000590
Шайба пружинная 18 БДС833-82
Кол-во
24
?
Оставить заявку
36
45104230100190
Сапун 41-058-5238
Кол-во
2
?
Оставить заявку
37
45104232000390
Скоба 050 460 007 018
Кол-во
2
?
Оставить заявку
38
45104232000590
Болт М12x1,5x65-10.9
Кол-во
4
?
Оставить заявку
39
45104232000690
Гайка М12x1,5-10
Кол-во
4
?
Оставить заявку
40
45104232000790
Гайка М24х1,5 DIN 937-17Н
Кол-во
2
?
Оставить заявку
41
45104232000890
Шплинт 5x40 DIN 94-72-ST
Кол-во
2
?
Оставить заявку
42
45104232000990
Пробка магнитная М30х1,5 41-001-7647
Кол-во
2
?
Оставить заявку
43
45104232001090
Пробка магнитная М18x1,5 41-003-5136
Кол-во
2
?
Оставить заявку
44
45104232001190
Кольцо II А18х24 БДС 3609-78
Кол-во
2
?
Оставить заявку
45
45104232001290
Кольцо I А30х36 БДС 3609-78
Кол-во
2
?
Оставить заявку
46
45104240000190
Колпачок сапуна 41-037-5416
Кол-во
2
?
Оставить заявку
47
45104341400490
Наконечник тяги рулевой трапеции 040160533000
Кол-во
2
?
Оставить заявку
48
45104341400390
Тяга рулевой трапеции 340-001-2121
Кол-во
1
?
Оставить заявку
49
45104232001390
Заглушка 41-002-5147
Кол-во
2
?
Оставить заявку
55
45104001000290
Герметик Permatex 51845
Кол-во
1
?
Оставить заявку
56
45104001000100
Герметик Локтайт 518
Кол-во
1
?
Оставить заявку
Нужна помощь в подборе запчастей?
Напишите нам и оставьте ваши контактные данные. Мы перезвоним вам в течение 30 минут или раньше!
Кратвольд Елена
Менеджер по продажам
7 (3513) 289-777
koleso787@bk.ru
Вы должны включить JavaScript чтобы использовать эту форму.
Ваш вопрос
Email
Телефон
Отправляя форму вы подтверждаете согласие с
политикой обработки персональных данных
.
Отправить
Оставьте это поле пустым