Каталог запчастей
Запчасти Камаз
Запчасти Урал
Спецпредложения
О компании
Контакты
+7 (3513) 289-777
Отправить готовую заявку
Группа компаний A-GROUP
Каталог
Запчасти УРАЛ
Запчасти КАМАЗ
Двигатель
Система питания
Система выпуска газов
Система охлаждения
Механизмы управления
Рулевое управление
Тормозная система
Кабина и кузов
Кабина
Оперение кабины
Платформа и кузов
Трансмиссия
Коробка передач
Коробка раздаточная
Сцепление
Карданная передача
Мосты
Ходовая часть
Колеса и ступицы
Ось передняя
Подвеска
Рама
Электрооборудование
Приборы
Специальное оборудование
Устройство седельно-сцепное
Лебедка
Газовое оборудование
Прочие запчасти
Инструмент и принадлежности
Рукава и РТИ
Крепеж
Подшипники
Запчасти двигателя
Система выпуска газов
Система охлаждения
Система питания
Кабина и оперение
Передок кабины
Оперение кабины
Боковина кабины
Двери кабины
Задок кабины
Основание кабины
Крыша кабины
Сиденья кабины
Вентиляция и отопление кабины
Трансмиссия
Коробка передач
Раздаточная коробка
Карданный вал
Сцепление
Передний мост
Средний мост
Задний мост
Ходовая часть
Рама
Подвеска балансирная
Колеса и ступицы
Механизмы управления
Рулевое управление
Тормозная система
Платформа
Электрооборудование
Приборы
Оборудование и инструменты
Коробка отбора мощности
Лебедка
Устройство седельно-сцепное
Инструменты
Поиск
Графические каталоги
0
Группа компаний A-GROUP
Поиск
0
+7 (3513) 289-777
Обратный звонок
Отправить готовую заявку
Группа компаний A-GROUP
0
Меню
Поиск
Каталог запчастей
Запчасти Камаз
Запчасти Урал
Спецпредложения
О компании
Контакты
Главная
Графические каталоги
КамАЗ
КамАЗ-65226
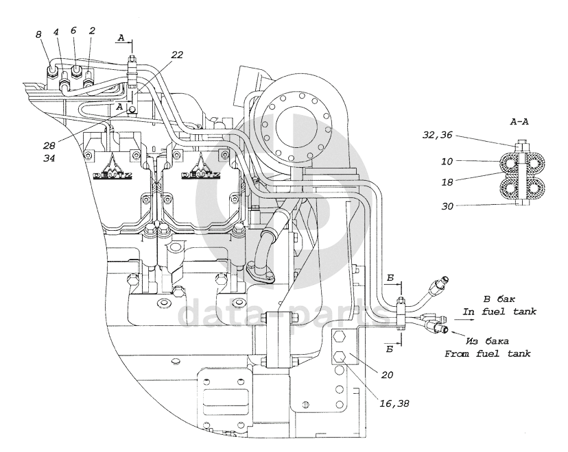
65226-1104000 Установка топливопроводов
65226-1104000 Установка топливопроводов КамАЗ-65226
2
4
6
8
10
16
18
20
22
28
30
32
34
36
38
100
%
2
65226-1104146
Трубка слива топлива
Кол-во
1
?
Оставить заявку
4
65226-1104254
Трубка подводящая топливного насоса
Кол-во
1
?
Оставить заявку
6
65226-1104422
Трубка отводящая топливного насоса
Кол-во
1
?
Оставить заявку
8
65226-1104426
Трубка топливная подводящая ТНВД
Кол-во
1
?
Оставить заявку
10
740.1104440
Скоба
Кол-во
8
?
Оставить заявку
16
65226-1104226
Болт М12х1,5-6gх25
Кол-во
2
?
Оставить заявку
18
740.1104460-10
Втулка
Кол-во
4
?
Узнать цену
740.1104460-10
Втулка
ПАО КАМАЗ
В наличии 22 шт.
95 ₽
В корзину
20
65226-1104510
Кронштейн
Кол-во
1
?
Оставить заявку
22
65226-1104610
Кронштейн
Кол-во
1
?
Оставить заявку
28
1/09021/21
Болт М6-6gх14
Кол-во
1
?
Оставить заявку
30
1/60443/21
Болт М8-6gх55
Кол-во
2
?
Оставить заявку
32
1/61008/11
Гайка М8х1,25-6Н
Кол-во
2
?
Оставить заявку
34
1/05164/73
Шайба 6 пружинная
Кол-во
1
?
Оставить заявку
36
1/05166/73
Шайба 8 пружинная
Кол-во
2
?
Оставить заявку
38
1/05170/73
Шайба 12 пружинная
Кол-во
2
?
Оставить заявку
Нужна помощь в подборе запчастей?
Напишите нам и оставьте ваши контактные данные. Мы перезвоним вам в течение 30 минут или раньше!
Кратвольд Елена
Менеджер по продажам
7 (3513) 289-777
koleso787@bk.ru
Вы должны включить JavaScript чтобы использовать эту форму.
Ваш вопрос
Email
Телефон
Отправляя форму вы подтверждаете согласие с
политикой обработки персональных данных
.
Отправить
Оставьте это поле пустым