Каталог запчастей
Запчасти Камаз
Запчасти Урал
Спецпредложения
О компании
Контакты
+7 (3513) 289-777
Отправить готовую заявку
Группа компаний A-GROUP
Каталог
Запчасти УРАЛ
Запчасти КАМАЗ
Двигатель
Система питания
Система выпуска газов
Система охлаждения
Механизмы управления
Рулевое управление
Тормозная система
Кабина и кузов
Кабина
Оперение кабины
Платформа и кузов
Трансмиссия
Коробка передач
Коробка раздаточная
Сцепление
Карданная передача
Мосты
Ходовая часть
Колеса и ступицы
Ось передняя
Подвеска
Рама
Электрооборудование
Приборы
Специальное оборудование
Устройство седельно-сцепное
Лебедка
Газовое оборудование
Прочие запчасти
Инструмент и принадлежности
Рукава и РТИ
Крепеж
Подшипники
Запчасти двигателя
Система выпуска газов
Система охлаждения
Система питания
Кабина и оперение
Передок кабины
Оперение кабины
Боковина кабины
Двери кабины
Задок кабины
Основание кабины
Крыша кабины
Сиденья кабины
Вентиляция и отопление кабины
Трансмиссия
Коробка передач
Раздаточная коробка
Карданный вал
Сцепление
Передний мост
Средний мост
Задний мост
Ходовая часть
Рама
Подвеска балансирная
Колеса и ступицы
Механизмы управления
Рулевое управление
Тормозная система
Платформа
Электрооборудование
Приборы
Оборудование и инструменты
Коробка отбора мощности
Лебедка
Устройство седельно-сцепное
Инструменты
Поиск
Графические каталоги
0
Группа компаний A-GROUP
Поиск
0
+7 (3513) 289-777
Обратный звонок
Отправить готовую заявку
Группа компаний A-GROUP
0
Меню
Поиск
Каталог запчастей
Запчасти Камаз
Запчасти Урал
Спецпредложения
О компании
Контакты
Главная
Графические каталоги
КамАЗ
КамАЗ-43118 (Евро 4)
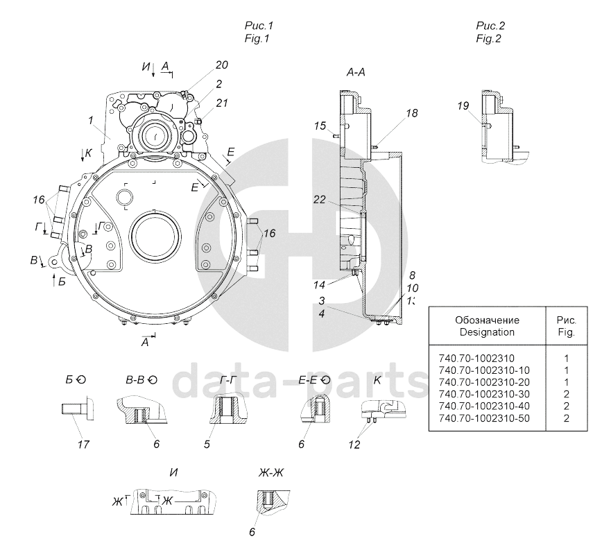
740.70-1002310 Картер маховика
740.70-1002310 Картер маховика КамАЗ-43118 (Евро 4)
1
1
1
1
1
1
2
3
4
5
6
6
6
8
10
12
13
14
15
16
16
17
19
20
21
22
100
%
1
740.51-1002312-30
Картер маховика
Кол-во
1
?
Узнать цену
740.51-1002312-30
Картер маховика
ПАО КАМАЗ
под заказ
70 048 ₽
В корзину
1
740.51-1002312
Картер маховика
Кол-во
1
?
Узнать цену
740.51-1002312
Картер КАМАЗ-ЕВРО маховика в сборе
ПАО КАМАЗ
под заказ
81 347 ₽
В корзину
1
740.51-1002312-10
Картер маховика
Кол-во
1
?
Оставить заявку
1
740.51-1002312-50
Картер маховика
Кол-во
1
?
Оставить заявку
1
740.51-1002312-40
Картер маховика
Кол-во
1
?
Узнать цену
740.51-1002312-40
Картер маховика
ПАО КАМАЗ
под заказ
74 974 ₽
В корзину
1
740.51-1002312-20
Картер маховика
Кол-во
1
?
Оставить заявку
2
740.70-1002315
Жиклер
Кол-во
1
?
Узнать цену
740.70-1002315
Жиклер
ПАО КАМАЗ
под заказ
254 ₽
В корзину
3
7406.1002324
Крышка люка картера
Кол-во
1
?
Узнать цену
7406.1002324
Крышка картера маховика
ПАО КАМАЗ
под заказ
248 ₽
В корзину
4
7406.1002325
Прокладка крышки люка
Кол-во
1
?
Оставить заявку
5
7406.1002328
Ввертыш
Кол-во
1
?
Оставить заявку
6
740.1115150
Ввертыш
Кол-во
14
?
Узнать цену
740.1115150
Ввертыш КАМАЗ коллектора впускного
ПАО КАМАЗ
В наличии 4 шт.
141 ₽
В корзину
8
1/61008/11
Гайка М8х1,25-6Н
Кол-во
4
?
Оставить заявку
10
1/05166/73
Шайба 8 пружинная
Кол-во
4
?
Оставить заявку
12
1/35166/21
Шпилька М8х1,25х12х16
Кол-во
2
?
Оставить заявку
13
1/35431/21
Шпилька М8х1,25-16х16
Кол-во
4
?
Оставить заявку
14
1/35433/21
Шпилька М8х1,25х16х20
Кол-во
4
?
Оставить заявку
15
1/34494/21
Шпилька М10х1,25х15х22
Кол-во
2
?
Оставить заявку
16
853303
Шпилька М16х1,5х22х35
Кол-во
12
?
Оставить заявку
17
1/35615/21
Шпилька М16х1,5х32х40
Кол-во
2
?
Оставить заявку
19
864158
Сальник в сборе
Кол-во
1
?
Оставить заявку
20
870884
Пробка КГ 1/8" масляного канала
Кол-во
1
?
Оставить заявку
21
870884
Пробка КГ 1/8" масляного канала
Кол-во
0
?
Оставить заявку
22
45104100516090
Манжета 120x150x12 CHspOGN С8002714 ф. Frendenberg Simrit
Кол-во
1
?
Оставить заявку
Нужна помощь в подборе запчастей?
Напишите нам и оставьте ваши контактные данные. Мы перезвоним вам в течение 30 минут или раньше!
Кратвольд Елена
Менеджер по продажам
7 (3513) 289-777
koleso787@bk.ru
Вы должны включить JavaScript чтобы использовать эту форму.
Ваш вопрос
Email
Телефон
Отправляя форму вы подтверждаете согласие с
политикой обработки персональных данных
.
Отправить
Оставьте это поле пустым