Каталог запчастей
Запчасти Камаз
Запчасти Урал
Спецпредложения
О компании
Контакты
+7 (3513) 289-777
Отправить готовую заявку
Группа компаний A-GROUP
Каталог
Запчасти УРАЛ
Запчасти КАМАЗ
Двигатель
Система питания
Система выпуска газов
Система охлаждения
Механизмы управления
Рулевое управление
Тормозная система
Кабина и кузов
Кабина
Оперение кабины
Платформа и кузов
Трансмиссия
Коробка передач
Коробка раздаточная
Сцепление
Карданная передача
Мосты
Ходовая часть
Колеса и ступицы
Ось передняя
Подвеска
Рама
Электрооборудование
Приборы
Специальное оборудование
Устройство седельно-сцепное
Лебедка
Газовое оборудование
Прочие запчасти
Инструмент и принадлежности
Рукава и РТИ
Крепеж
Подшипники
Запчасти двигателя
Система выпуска газов
Система охлаждения
Система питания
Кабина и оперение
Передок кабины
Оперение кабины
Боковина кабины
Двери кабины
Задок кабины
Основание кабины
Крыша кабины
Сиденья кабины
Вентиляция и отопление кабины
Трансмиссия
Коробка передач
Раздаточная коробка
Карданный вал
Сцепление
Передний мост
Средний мост
Задний мост
Ходовая часть
Рама
Подвеска балансирная
Колеса и ступицы
Механизмы управления
Рулевое управление
Тормозная система
Платформа
Электрооборудование
Приборы
Оборудование и инструменты
Коробка отбора мощности
Лебедка
Устройство седельно-сцепное
Инструменты
Поиск
Графические каталоги
0
Группа компаний A-GROUP
Поиск
0
+7 (3513) 289-777
Обратный звонок
Отправить готовую заявку
Группа компаний A-GROUP
0
Меню
Поиск
Каталог запчастей
Запчасти Камаз
Запчасти Урал
Спецпредложения
О компании
Контакты
Главная
Графические каталоги
КамАЗ
КамАЗ-65115, 65116 (Евро-4)
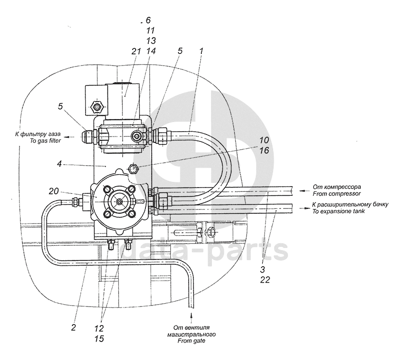
65115-4404100-30 Установка редуктора высокого давления и электромагнитного клапана
65115-4404100-30 Установка редуктора высокого давления и электромагнитного клапана КамАЗ-65115, 65116 (Евро-4)
1
2
3
4
5
5
6
10
11
12
13
14
15
16
20
21
22
100
%
1
65115-4408108
Трубка
Кол-во
1
?
Оставить заявку
2
65115-4408316
Трубка
Кол-во
1
?
Оставить заявку
3
6522-1311999-99
Рукав
Кол-во
2
?
Оставить заявку
4
65115-4404150
Кронштейн
Кол-во
1
?
Оставить заявку
5
5297-4404826
Штуцер
Кол-во
2
?
Оставить заявку
6
820.01-4412012
Стремянка
Кол-во
2
?
Оставить заявку
10
1/59707/21
Болт М10х1,25-6gх25
Кол-во
3
?
Оставить заявку
11
1/58962/11
Гайка ЕМ6-6Н
Кол-во
4
?
Узнать цену
1/58962/11
Гайка М6Х1 Камаз
ПАО Автодизель (ЯМЗ)
под заказ
15 ₽
В корзину
12
1/61023/11
Гайка М8-6Н низкая
Кол-во
2
?
Оставить заявку
13
1/26444/01
Шайба плоская 6х15х1
Кол-во
4
?
Оставить заявку
14
1/05164/73
Шайба 6 пружинная
Кол-во
4
?
Оставить заявку
15
1/05166/77
Шайба 8 пружинная
Кол-во
2
?
Оставить заявку
16
1/05168/73
Шайба 10 пружинная
Кол-во
3
?
Оставить заявку
20
233.4404200-10
Редуктор высокого давления
Кол-во
1
?
Оставить заявку
21
45104441200200
Отсечной клапан электромагнитный газовый марки ВН-1/2Н-4 ДУ15
Кол-во
1
?
Оставить заявку
22
45104998010190
Хомут ТОRRО 16-27/12-С7W1
Кол-во
4
?
Оставить заявку
Нужна помощь в подборе запчастей?
Напишите нам и оставьте ваши контактные данные. Мы перезвоним вам в течение 30 минут или раньше!
Кратвольд Елена
Менеджер по продажам
7 (3513) 289-777
koleso787@bk.ru
Вы должны включить JavaScript чтобы использовать эту форму.
Ваш вопрос
Email
Телефон
Отправляя форму вы подтверждаете согласие с
политикой обработки персональных данных
.
Отправить
Оставьте это поле пустым