Каталог запчастей
Запчасти Камаз
Запчасти Урал
Спецпредложения
О компании
Контакты
+7 (3513) 289-777
Отправить готовую заявку
Группа компаний A-GROUP
Каталог
Запчасти УРАЛ
Запчасти КАМАЗ
Двигатель
Система питания
Система выпуска газов
Система охлаждения
Механизмы управления
Рулевое управление
Тормозная система
Кабина и кузов
Кабина
Оперение кабины
Платформа и кузов
Трансмиссия
Коробка передач
Коробка раздаточная
Сцепление
Карданная передача
Мосты
Ходовая часть
Колеса и ступицы
Ось передняя
Подвеска
Рама
Электрооборудование
Приборы
Специальное оборудование
Устройство седельно-сцепное
Лебедка
Газовое оборудование
Прочие запчасти
Инструмент и принадлежности
Рукава и РТИ
Крепеж
Подшипники
Запчасти двигателя
Система выпуска газов
Система охлаждения
Система питания
Кабина и оперение
Передок кабины
Оперение кабины
Боковина кабины
Двери кабины
Задок кабины
Основание кабины
Крыша кабины
Сиденья кабины
Вентиляция и отопление кабины
Трансмиссия
Коробка передач
Раздаточная коробка
Карданный вал
Сцепление
Передний мост
Средний мост
Задний мост
Ходовая часть
Рама
Подвеска балансирная
Колеса и ступицы
Механизмы управления
Рулевое управление
Тормозная система
Платформа
Электрооборудование
Приборы
Оборудование и инструменты
Коробка отбора мощности
Лебедка
Устройство седельно-сцепное
Инструменты
Поиск
Графические каталоги
0
Группа компаний A-GROUP
Поиск
0
+7 (3513) 289-777
Обратный звонок
Отправить готовую заявку
Группа компаний A-GROUP
0
Меню
Поиск
Каталог запчастей
Запчасти Камаз
Запчасти Урал
Спецпредложения
О компании
Контакты
Главная
Графические каталоги
КамАЗ
КамАЗ-4308 (Евро 4)
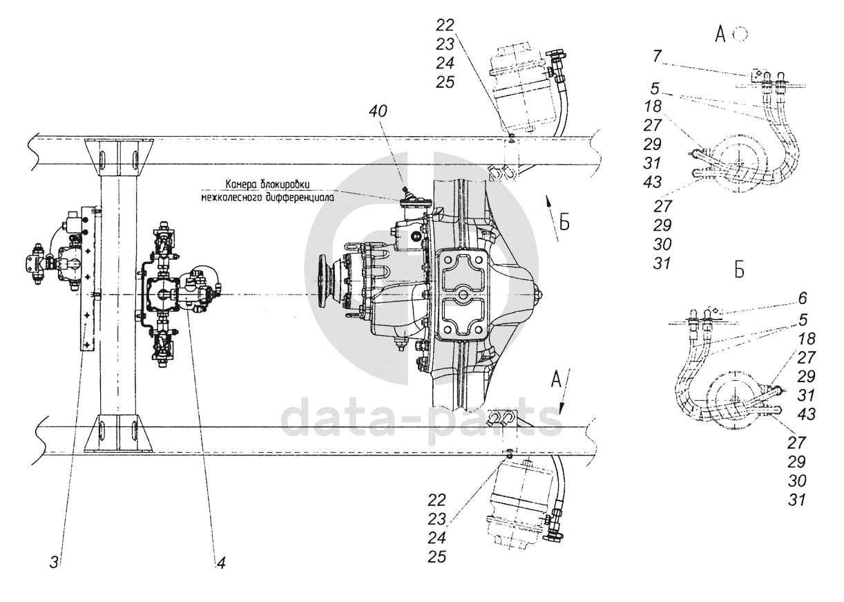
4308-3506002-34 Пневмопривод заднего моста
4308-3506002-34 Пневмопривод заднего моста КамАЗ-4308 (Евро 4)
3
4
5
5
6
7
18
18
22
22
23
23
24
24
25
25
27
27
27
27
29
29
29
29
30
30
31
31
31
31
40
43
43
100
%
3
4308-3518010-04
Блок управления тормозами задней тележки
Кол-во
1
?
Оставить заявку
4
43255-3542007-80
Блок управления тормозами второго контура
Кол-во
1
?
Оставить заявку
5
43101-3506060-20
Шланг гибкий
Кол-во
4
?
Оставить заявку
6
5308-3506078
Кронштейн правый задний в сборе
Кол-во
1
?
Оставить заявку
7
5308-3506079
Кронштейн левый задний в сборе
Кол-во
1
?
Оставить заявку
18
5297-3506016
Тройник
Кол-во
2
?
Узнать цену
5297-3506016
Тройник КАМАЗ тормозной системы
ПАО КАМАЗ
под заказ
953 ₽
В корзину
22
1\\60438\\21
Болт М8-6gx30
Кол-во
2
?
Оставить заявку
23
1\\61008\\11
Гайка М8-6Н
Кол-во
2
?
Оставить заявку
24
1\\05166\\77
Шайба пружинная 8
Кол-во
2
?
Оставить заявку
25
1\\05196\\01
Шайба плоская 8x17
Кол-во
2
?
Узнать цену
1/05196/01
Шайба 8*17 1/05196
ПАО Автодизель (ЯМЗ)
под заказ
20 ₽
В корзину
27
1\\07914\\11
Гайка низкая М16х1.5-6Н
Кол-во
4
?
Оставить заявку
29
861023
Шайба
Кол-во
4
?
Узнать цену
861023
Шайба
ПАО КАМАЗ
под заказ
15 ₽
В корзину
30
861030
Угольник ввертный
Кол-во
2
?
Узнать цену
861030
Угольник КАМАЗ М16х20
ПАО КАМАЗ
В наличии 83 шт.
742 ₽
В корзину
31
864236
Кольцо уплотнительное
Кол-во
4
?
Оставить заявку
40
45104350602400
Фитинг угловой
Кол-во
1
?
Оставить заявку
43
45104351531000
Клапан контрольного вывода РП16-3515310
Кол-во
2
?
Оставить заявку
Нужна помощь в подборе запчастей?
Напишите нам и оставьте ваши контактные данные. Мы перезвоним вам в течение 30 минут или раньше!
Кратвольд Елена
Менеджер по продажам
7 (3513) 289-777
koleso787@bk.ru
Вы должны включить JavaScript чтобы использовать эту форму.
Ваш вопрос
Email
Телефон
Отправляя форму вы подтверждаете согласие с
политикой обработки персональных данных
.
Отправить
Оставьте это поле пустым