Каталог запчастей
Запчасти Камаз
Запчасти Урал
Спецпредложения
О компании
Контакты
7 (3513) 289-777
Отправить готовую заявку
Группа компаний A-GROUP
Каталог
Запчасти УРАЛ
Запчасти КАМАЗ
Двигатель
Система питания
Система выпуска газов
Система охлаждения
Механизмы управления
Рулевое управление
Тормозная система
Кабина и кузов
Кабина
Оперение кабины
Платформа и кузов
Трансмиссия
Коробка передач
Коробка раздаточная
Сцепление
Карданная передача
Мосты
Ходовая часть
Колеса и ступицы
Ось передняя
Подвеска
Рама
Электрооборудование
Приборы
Специальное оборудование
Устройство седельно-сцепное
Лебедка
Газовое оборудование
Прочие запчасти
Инструмент и принадлежности
Рукава и РТИ
Крепеж
Подшипники
Запчасти двигателя
Система выпуска газов
Система охлаждения
Система питания
Кабина и оперение
Передок кабины
Оперение кабины
Боковина кабины
Двери кабины
Задок кабины
Основание кабины
Крыша кабины
Сиденья кабины
Вентиляция и отопление кабины
Трансмиссия
Коробка передач
Раздаточная коробка
Карданный вал
Сцепление
Передний мост
Средний мост
Задний мост
Ходовая часть
Рама
Подвеска балансирная
Колеса и ступицы
Механизмы управления
Рулевое управление
Тормозная система
Платформа
Электрооборудование
Приборы
Оборудование и инструменты
Коробка отбора мощности
Лебедка
Устройство седельно-сцепное
Инструменты
Поиск
Графические каталоги
0
Группа компаний A-GROUP
Поиск
0
+7 (3513) 289-777
Обратный звонок
Отправить готовую заявку
Группа компаний A-GROUP
0
Меню
Поиск
Каталог запчастей
Запчасти Камаз
Запчасти Урал
Спецпредложения
О компании
Контакты
Главная
Графические каталоги
КамАЗ
КамАЗ-4308 (Евро 4)
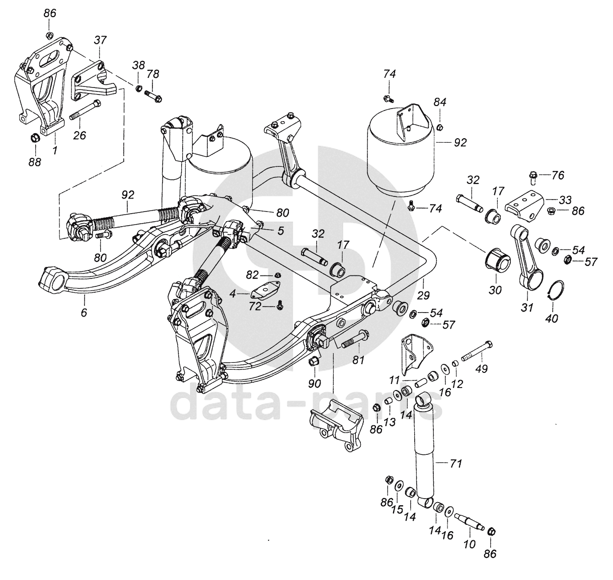
4308-2900002-20 Установка задней подвески
4308-2900002-20 Установка задней подвески КамАЗ-4308 (Евро 4)
1
4
5
6
10
11
12
13
14
14
14
15
16
16
17
17
26
29
30
31
32
32
33
37
38
40
49
54
54
57
57
71
71
72
74
74
76
78
80
80
81
82
84
86
86
86
86
86
88
90
92
92
93
100
%
1
4308-2900005-20
Установка кронштейнов подвески на раму
Кол-во
1
?
Оставить заявку
4
5320-2912624
Буфер задней рессоры в сборе
Кол-во
2
?
Оставить заявку
5
4308-2919073-20
Рычаг верхний
Кол-во
1
?
Оставить заявку
6
4308-2919490-20
Балки задней подвески со стяжкой
Кол-во
1
?
Оставить заявку
10
53212-2905418
Палец крепления амортизатора
Кол-во
2
?
Узнать цену
53212-2905418
Палец КАМАЗ крепления амортизатора
ПАО КАМАЗ
В наличии 5 шт.
961 ₽
В корзину
11
65201-2905421
Втулка
Кол-во
2
?
Узнать цену
65201-2905421
Втулка амортизатора КАМАЗ переднего
ПАО КАМАЗ
В наличии 11 шт.
325 ₽
В корзину
12
65201-2905426
Втулка
Кол-во
2
?
Узнать цену
65201-2905426
Втулка амортизатора КАМАЗ переднего
ПАО КАМАЗ
под заказ
236 ₽
В корзину
13
65201-2905427
Втулка
Кол-во
2
?
Узнать цену
65201-2905427
Втулка амортизатора КАМАЗ переднего
ПАО КАМАЗ
В наличии 24 шт.
297 ₽
В корзину
14
53212-2905486
Втулка крепления амортизатора
Кол-во
8
?
Оставить заявку
15
53212-2905574
Шайба упорная
Кол-во
2
?
Узнать цену
53212-2905574
Шайба КАМАЗ упорная пальца амортизатора
ПАО КАМАЗ
под заказ
85 ₽
В корзину
16
53212-2905576
Шайба упорная
Кол-во
6
?
Узнать цену
53212-2905576
Шайба КАМАЗ упорная втулки амортизатора
ПАО КАМАЗ
В наличии 9 шт.
166 ₽
В корзину
17
65115-2906079
Втулка стабилизатора
Кол-во
8
?
Оставить заявку
26
4308-2912032-20
Болт М18х1,5-6gx165
Кол-во
4
?
Узнать цену
4308-2912032-20
Болт М18х1,5-6gх165
ПАО КАМАЗ
В наличии 6 шт.
1 037 ₽
В корзину
29
4925-2916016
Штанга стабилизатора
Кол-во
1
?
Узнать цену
4925-2916016
Штанга стабилизатора
ПАО КАМАЗ
В наличии 1 шт.
42 051 ₽
В корзину
30
4925-2916040
Подушка стабилизатора
Кол-во
2
?
Узнать цену
4925-2916040
Подушка КАМАЗ-ЕВРО стабилизатора
ПАО КАМАЗ
В наличии 45 шт.
1 178 ₽
В корзину
31
6520-2916060
Стойка стабилизатора
Кол-во
2
?
Оставить заявку
32
6460-2916075
Ось стабилизатора
Кол-во
4
?
Оставить заявку
33
4308-2916090
Кронштейн стабилизатора
Кол-во
2
?
Узнать цену
4308-2916090
Кронштейн
ПАО КАМАЗ
В наличии 2 шт.
2 874 ₽
В корзину
37
4308-2919090-20
Кронштейн реактивной штанги верхний
Кол-во
2
?
Узнать цену
4308-2919090-20
Кронштейн
ПАО КАМАЗ
под заказ
8 341 ₽
В корзину
38
5320-2403072
Втулка разжимная шпильки полуоси
Кол-во
8
?
Узнать цену
5320-2403072
Втулка КАМАЗ разжимная шпильки полуоси d=16мм
ПАО КАМАЗ
В наличии 86 шт.
47 ₽
В корзину
40
4598360548
Кольцо В75
Кол-во
2
?
Оставить заявку
49
1/59821/21
Болт М16х1,5-6gх140
Кол-во
2
?
Оставить заявку
54
1/07267/11
Гайка низкая М20х1,5-6Н
Кол-во
4
?
Узнать цену
1/07267/11
Гайка
ПАО КАМАЗ
под заказ
160 ₽
В корзину
57
1/05174/77
Шайба 20 пружинная
Кол-во
4
?
Оставить заявку
71
45104290502900
Амортизатор
Кол-во
2
?
Оставить заявку
71
45104290550900
Амортизатор
Кол-во
2
?
Оставить заявку
72
45104991006900
Болт М10х1,25-6gх25
Кол-во
4
?
Оставить заявку
74
45104991006600
Болт М12х1,25-6gx30
Кол-во
8
?
Оставить заявку
76
45104991099400
Болт М16х1,50-6gх40
Кол-во
4
?
Оставить заявку
78
45104991016200
Болт М16х1,5-6gx70
Кол-во
8
?
Оставить заявку
80
45104991045000
Болт М18х1,5-6gx60
Кол-во
12
?
Оставить заявку
81
45104991046000
Болт М20х1,5-6gx110
Кол-во
4
?
Оставить заявку
82
45104993014300
Гайка М10х1,25-6Н
Кол-во
4
?
Оставить заявку
84
45104993013400
Гайка М12x1,25-6Н
Кол-во
4
?
Оставить заявку
86
45104993004200
Гайка М16х1,50-6Н
Кол-во
18
?
Оставить заявку
88
45104993044800
Гайка М18х1,5-6Н
Кол-во
4
?
Оставить заявку
90
45104993004100
Гайка М20х1,5-6Н
Кол-во
4
?
Оставить заявку
92
655-2934002-20
Рессора пневматической подвески
Кол-во
2
?
Оставить заявку
93
1630-2919010
Штанга реактивная
Кол-во
2
?
Оставить заявку
Нужна помощь в подборе запчастей?
Напишите нам и оставьте ваши контактные данные. Мы перезвоним вам в течение 30 минут или раньше!
Кратвольд Елена
Менеджер по продажам
7 (3513) 289-777
koleso787@bk.ru
Вы должны включить JavaScript чтобы использовать эту форму.
Ваш вопрос
Email
Телефон
Отправляя форму вы подтверждаете согласие с
политикой обработки персональных данных
.
Отправить
Оставьте это поле пустым