Каталог запчастей
Запчасти Камаз
Запчасти Урал
Спецпредложения
О компании
Контакты
+7 (3513) 289-777
Отправить готовую заявку
Группа компаний A-GROUP
Каталог
Запчасти УРАЛ
Запчасти КАМАЗ
Двигатель
Система питания
Система выпуска газов
Система охлаждения
Механизмы управления
Рулевое управление
Тормозная система
Кабина и кузов
Кабина
Оперение кабины
Платформа и кузов
Трансмиссия
Коробка передач
Коробка раздаточная
Сцепление
Карданная передача
Мосты
Ходовая часть
Колеса и ступицы
Ось передняя
Подвеска
Рама
Электрооборудование
Приборы
Специальное оборудование
Устройство седельно-сцепное
Лебедка
Газовое оборудование
Прочие запчасти
Инструмент и принадлежности
Рукава и РТИ
Крепеж
Подшипники
Запчасти двигателя
Система выпуска газов
Система охлаждения
Система питания
Кабина и оперение
Передок кабины
Оперение кабины
Боковина кабины
Двери кабины
Задок кабины
Основание кабины
Крыша кабины
Сиденья кабины
Вентиляция и отопление кабины
Трансмиссия
Коробка передач
Раздаточная коробка
Карданный вал
Сцепление
Передний мост
Средний мост
Задний мост
Ходовая часть
Рама
Подвеска балансирная
Колеса и ступицы
Механизмы управления
Рулевое управление
Тормозная система
Платформа
Электрооборудование
Приборы
Оборудование и инструменты
Коробка отбора мощности
Лебедка
Устройство седельно-сцепное
Инструменты
Поиск
Графические каталоги
0
Группа компаний A-GROUP
Поиск
0
+7 (3513) 289-777
Обратный звонок
Отправить готовую заявку
Группа компаний A-GROUP
0
Меню
Поиск
Каталог запчастей
Запчасти Камаз
Запчасти Урал
Спецпредложения
О компании
Контакты
Главная
Графические каталоги
КамАЗ
КамАЗ-53605 (Евро-4)
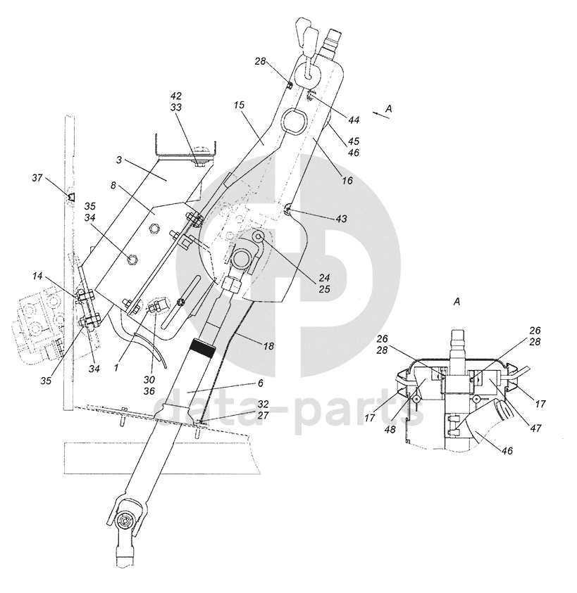
6520-3400004-19 Установка колонки рулевого управления
6520-3400004-19 Установка колонки рулевого управления КамАЗ-53605 (Евро-4)
1
3
6
6
6
6
6
6
8
14
15
16
17
17
18
24
25
26
26
27
28
28
28
30
32
33
34
34
35
35
36
37
42
43
44
45
46
46
47
48
100
%
1
6520-3406014-19
Установка крана регулировки рулевой колонки
Кол-во
1
?
Оставить заявку
3
6520-3403030-19
Кронштейн
Кол-во
1
?
Узнать цену
6520-3403030-19
Кронштейн
ПАО КАМАЗ
под заказ
2 762 ₽
В корзину
6
43255-3422010-19
Вал карданный
Кол-во
1
?
Узнать цену
43255-3422010-19
Вал карданный
ПАО КАМАЗ
под заказ
24 259 ₽
В корзину
6
65115-3422010-19
Вал карданный
Кол-во
1
?
Узнать цену
65115-3422010-19
Вал карданный КАМАЗ рулевой
ПАО КАМАЗ
В наличии 2 шт.
27 512 ₽
В корзину
6
6520-3422010-19
Вал карданный
Кол-во
1
?
Узнать цену
6520-3422010-19
Вал карданный КАМАЗ рулевой
ПАО КАМАЗ
В наличии 1 шт.
25 006 ₽
В корзину
6
6350-3422010-19
Вал карданный
Кол-во
1
?
Узнать цену
6350-3422010-19
Вал карданный
ПАО КАМАЗ
под заказ
31 948 ₽
В корзину
6
4308-3422010-46
Вал карданный
Кол-во
1
?
Оставить заявку
6
6522-3422010-19
Вал карданный
Кол-во
1
?
Узнать цену
6522-3422010-19
Вал карданный
ПАО КАМАЗ
В наличии 2 шт.
29 128 ₽
В корзину
8
6520-3444075-19
Колонка рулевого управления с кронштейном
Кол-во
1
?
Узнать цену
6520-3444075-19
Колонка рулевая КАМАЗ-6520 в сборе
ПАО КАМАЗ
под заказ
63 297 ₽
В корзину
14
6520-3403008
Пластина
Кол-во
1
?
Узнать цену
6520-3403008
Пластина
ПАО КАМАЗ
под заказ
280 ₽
В корзину
15
6520-3444071-19
Кожух колонки задний
Кол-во
1
?
Оставить заявку
16
6520-3444073-19
Кожух колонки передний
Кол-во
1
?
Оставить заявку
17
53205-3444074
Кожух защитный
Кол-во
2
?
Оставить заявку
18
6520-3444074-19
Кожух колонки нижний
Кол-во
1
?
Оставить заявку
24
251645
Гайка М8-6Н ОСТ 37.001.197-75
Кол-во
1
?
Оставить заявку
25
1/60441/21
Болт М8-6gх45
Кол-во
1
?
Оставить заявку
26
1/33112/01
Винт М5-6gх20
Кол-во
4
?
Оставить заявку
27
1/51873/01
Винт самонарезающий типа АВ №10x12,7
Кол-во
3
?
Оставить заявку
28
1/58964/11
Гайка М5-6Н
Кол-во
8
?
Оставить заявку
30
1/02844/60
Прокладка уплотнительная 10х16х1,5
Кол-во
1
?
Оставить заявку
32
1/26397/01
Шайба регулировочная 6х11х1
Кол-во
3
?
Оставить заявку
33
1/26443/01
Шайба плоская 10х35х3
Кол-во
4
?
Оставить заявку
34
1/05168/73
Шайба 10 пружинная
Кол-во
4
?
Оставить заявку
35
853530
Гайка М10х1,25-6М
Кол-во
2
?
Оставить заявку
36
853964
Штуцер 6 ввертный
Кол-во
1
?
Узнать цену
853964
Штуцер
ПАО КАМАЗ
В наличии 1 шт.
129 ₽
В корзину
37
864309
Пробка транспортная
Кол-во
2
?
Оставить заявку
42
45104991007000
Болт М10х1,25-6gx30
Кол-во
2
?
Оставить заявку
43
45104992569500
Винт М5-6gx18
Кол-во
1
?
Оставить заявку
44
45104992544500
Винт 356-71445
Кол-во
4
?
Оставить заявку
45
1111-3704201
Кольцо уплотнительное
Кол-во
1
?
Оставить заявку
46
4542253585
Выключатель приборов и стартера с противоугонным устройством 2126-3704005-20
Кол-во
1
?
Оставить заявку
47
4573431388
Переключатель стеклоочистителя со стеклоомывателем 4002.3709 ТУ37.003.1335-87
Кол-во
1
?
Оставить заявку
48
45104370902100
Переключатель указателей поворотов ближнего и дальнего света 6602.3709-01 ТУ37.003.1336-87
Кол-во
1
?
Оставить заявку
Нужна помощь в подборе запчастей?
Напишите нам и оставьте ваши контактные данные. Мы перезвоним вам в течение 30 минут или раньше!
Кратвольд Елена
Менеджер по продажам
7 (3513) 289-777
koleso787@bk.ru
Вы должны включить JavaScript чтобы использовать эту форму.
Ваш вопрос
Email
Телефон
Отправляя форму вы подтверждаете согласие с
политикой обработки персональных данных
.
Отправить
Оставьте это поле пустым