Каталог запчастей
Запчасти Камаз
Запчасти Урал
Спецпредложения
О компании
Контакты
+7 (3513) 289-777
Отправить готовую заявку
Группа компаний A-GROUP
Каталог
Запчасти УРАЛ
Запчасти КАМАЗ
Двигатель
Система питания
Система выпуска газов
Система охлаждения
Механизмы управления
Рулевое управление
Тормозная система
Кабина и кузов
Кабина
Оперение кабины
Платформа и кузов
Трансмиссия
Коробка передач
Коробка раздаточная
Сцепление
Карданная передача
Мосты
Ходовая часть
Колеса и ступицы
Ось передняя
Подвеска
Рама
Электрооборудование
Приборы
Специальное оборудование
Устройство седельно-сцепное
Лебедка
Газовое оборудование
Прочие запчасти
Инструмент и принадлежности
Рукава и РТИ
Крепеж
Подшипники
Запчасти двигателя
Система выпуска газов
Система охлаждения
Система питания
Кабина и оперение
Передок кабины
Оперение кабины
Боковина кабины
Двери кабины
Задок кабины
Основание кабины
Крыша кабины
Сиденья кабины
Вентиляция и отопление кабины
Трансмиссия
Коробка передач
Раздаточная коробка
Карданный вал
Сцепление
Передний мост
Средний мост
Задний мост
Ходовая часть
Рама
Подвеска балансирная
Колеса и ступицы
Механизмы управления
Рулевое управление
Тормозная система
Платформа
Электрооборудование
Приборы
Оборудование и инструменты
Коробка отбора мощности
Лебедка
Устройство седельно-сцепное
Инструменты
Поиск
Графические каталоги
0
Группа компаний A-GROUP
Поиск
0
+7 (3513) 289-777
Обратный звонок
Отправить готовую заявку
Группа компаний A-GROUP
0
Меню
Поиск
Каталог запчастей
Запчасти Камаз
Запчасти Урал
Спецпредложения
О компании
Контакты
Главная
Графические каталоги
КамАЗ
КамАЗ-53605 (Евро-4)
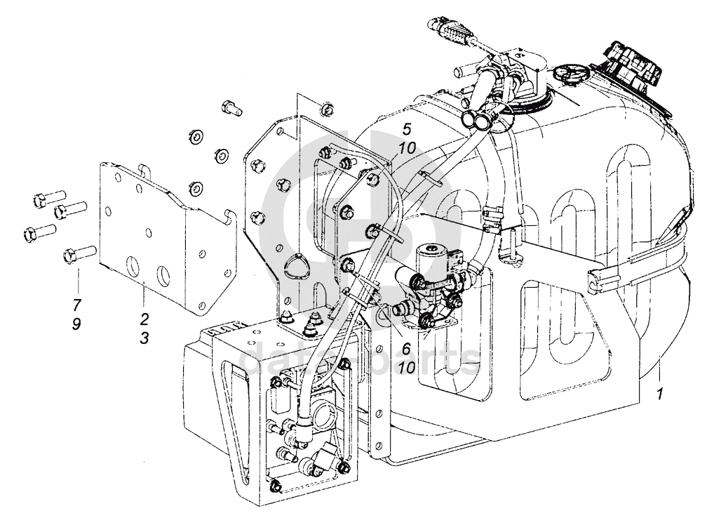
6520-1208002 Установка бака нейтрализующей жидкости
6520-1208002 Установка бака нейтрализующей жидкости КамАЗ-53605 (Евро-4)
1
1
2
3
5
6
7
9
10
10
100
%
1
6540-1208055-10
Бак нейтрализующей жидкости
Кол-во
1
?
Оставить заявку
1
65115-1208055-10
Бак нейтрализующей жидкости
Кол-во
1
?
Оставить заявку
2
6520-1208046
Кронштейн
Кол-во
1
?
Оставить заявку
3
65201-1208046
Кронштейн
Кол-во
1
?
Узнать цену
65201-1208046
Кронштейн
ПАО КАМАЗ
под заказ
2 053 ₽
В корзину
5
1/59707/21
Болт М10х1,25-6gх25
Кол-во
5
?
Оставить заявку
6
1/13069/21
Болт М10х1,25-6gх30
Кол-во
1
?
Оставить заявку
7
1/55406/21
Болт М12х1,25-6gх40
Кол-во
4
?
Оставить заявку
9
45104993013400
Гайка М12x1,25-6Н
Кол-во
4
?
Оставить заявку
10
45104993014300
Гайка М10х1,25-6Н
Кол-во
8
?
Оставить заявку
Нужна помощь в подборе запчастей?
Напишите нам и оставьте ваши контактные данные. Мы перезвоним вам в течение 30 минут или раньше!
Кратвольд Елена
Менеджер по продажам
7 (3513) 289-777
koleso787@bk.ru
Вы должны включить JavaScript чтобы использовать эту форму.
Ваш вопрос
Email
Телефон
Отправляя форму вы подтверждаете согласие с
политикой обработки персональных данных
.
Отправить
Оставьте это поле пустым