Каталог запчастей
Запчасти Камаз
Запчасти Урал
Спецпредложения
О компании
Контакты
+7 (3513) 289-777
Отправить готовую заявку
Группа компаний A-GROUP
Каталог
Запчасти УРАЛ
Запчасти КАМАЗ
Двигатель
Система питания
Система выпуска газов
Система охлаждения
Механизмы управления
Рулевое управление
Тормозная система
Кабина и кузов
Кабина
Оперение кабины
Платформа и кузов
Трансмиссия
Коробка передач
Коробка раздаточная
Сцепление
Карданная передача
Мосты
Ходовая часть
Колеса и ступицы
Ось передняя
Подвеска
Рама
Электрооборудование
Приборы
Специальное оборудование
Устройство седельно-сцепное
Лебедка
Газовое оборудование
Прочие запчасти
Инструмент и принадлежности
Рукава и РТИ
Крепеж
Подшипники
Запчасти двигателя
Система выпуска газов
Система охлаждения
Система питания
Кабина и оперение
Передок кабины
Оперение кабины
Боковина кабины
Двери кабины
Задок кабины
Основание кабины
Крыша кабины
Сиденья кабины
Вентиляция и отопление кабины
Трансмиссия
Коробка передач
Раздаточная коробка
Карданный вал
Сцепление
Передний мост
Средний мост
Задний мост
Ходовая часть
Рама
Подвеска балансирная
Колеса и ступицы
Механизмы управления
Рулевое управление
Тормозная система
Платформа
Электрооборудование
Приборы
Оборудование и инструменты
Коробка отбора мощности
Лебедка
Устройство седельно-сцепное
Инструменты
Поиск
Графические каталоги
0
Группа компаний A-GROUP
Поиск
0
+7 (3513) 289-777
Обратный звонок
Отправить готовую заявку
Группа компаний A-GROUP
0
Меню
Поиск
Каталог запчастей
Запчасти Камаз
Запчасти Урал
Спецпредложения
О компании
Контакты
Главная
Графические каталоги
КамАЗ
КамАЗ-43253 (Часть-1)
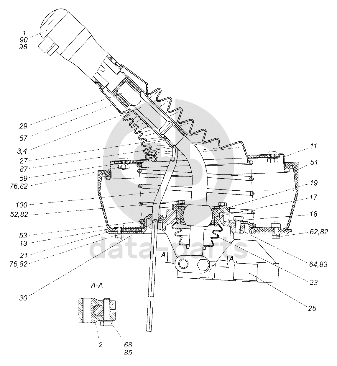
154.1703204-20 Опора рычага переключения передач
154.1703204-20 Опора рычага переключения передач КамАЗ-43253 (Часть-1)
1
2
3
4
11
13
17
18
19
21
23
25
25
27
29
30
51
53
57
59
62
64
68
76
76
82
82
82
82
83
85
87
90
91
100
100
%
1
154.1703205
Рукоятка переключения делителя
Кол-во
1
?
Оставить заявку
2
142.1703362
Серьга с втулкой
Кол-во
1
?
Узнать цену
142.1703362
Серьга КАМАЗ с втулкой
ПАО КАМАЗ
В наличии 6 шт.
2 425 ₽
В корзину
3
142.1703410
Рычаг переключения передач
Кол-во
1
?
Узнать цену
142.1703410
Рычаг переключения передач
ПАО КАМАЗ
под заказ
3 971 ₽
В корзину
4
6460-170341
Рычаг переключения передач
Кол-во
1
?
Оставить заявку
11
53205-5130020
Держатель уплотнителя
Кол-во
1
?
Узнать цену
53205-5130020
Держатель уплотнителя
ПАО КАМАЗ
под заказ
882 ₽
В корзину
13
53205-5130040
Пластина
Кол-во
1
?
Узнать цену
53205-5130040
Пластина
ПАО КАМАЗ
под заказ
758 ₽
В корзину
17
161.1703220
Втулка
Кол-во
1
?
Узнать цену
161.1703220
Втулка КАМАЗ рычага переключения передач
ПАО КАМАЗ
под заказ
1 530 ₽
В корзину
18
161.1703221
Втулка наконечника рычага
Кол-во
1
?
Оставить заявку
19
142.1703222
Крышка
Кол-во
1
?
Узнать цену
142.1703222
Крышка КАМАЗ-ЕВРО рычага переключения передач в сборе
ПАО КАМАЗ
под заказ
145 ₽
В корзину
21
142.1703233
Опора уплотнителя люка пола кабины
Кол-во
1
?
Узнать цену
142.1703233
Опора уплотнительная
ПАО КАМАЗ
под заказ
1 944 ₽
В корзину
23
142.1703234
Чехол рычага переключения передач нижний
Кол-во
1
?
Оставить заявку
25
142.1703240
Кронштейн рычага переключения передач
Кол-во
1
?
Оставить заявку
25
6520-1703240-10
Кронштейн рычага переключения передач
Кол-во
1
?
Оставить заявку
27
142.1703657
Втулка виброизолятора
Кол-во
1
?
Оставить заявку
29
142.1703658
Колпак виброизолятора
Кол-во
1
?
Оставить заявку
30
15.1772181
Втулка предохранительной трубки
Кол-во
1
?
Оставить заявку
51
53205-5130016-20
Уплотнитель люка пола рычага коробки передач
Кол-во
1
?
Оставить заявку
53
53205-5130018
Пружина уплотнителя люка
Кол-во
1
?
Оставить заявку
57
53205-5130030
Чехол рычага переключения передач
Кол-во
1
?
Оставить заявку
59
53205-5130032
Держатель чехла рычага
Кол-во
1
?
Узнать цену
53205-5130032
Держатель
ПАО КАМАЗ
под заказ
197 ₽
В корзину
62
1/09024/21
Болт М6-6gх20
Кол-во
6
?
Оставить заявку
64
1/60434/21
Болт М8-6gх20
Кол-во
4
?
Оставить заявку
68
1/59709/21
Болт М10х1,25-6gх35
Кол-во
1
?
Оставить заявку
76
1/58962/11
Гайка ЕМ6-6Н
Кол-во
12
?
Узнать цену
1/58962/11
Гайка М6Х1 Камаз
ПАО Автодизель (ЯМЗ)
под заказ
15 ₽
В корзину
82
1/05164/73
Шайба 6 пружинная
Кол-во
17
?
Оставить заявку
83
1/05166/73
Шайба 8 пружинная
Кол-во
4
?
Оставить заявку
85
1/05168/73
Шайба 10 пружинная
Кол-во
1
?
Оставить заявку
87
862810
Кольцо упорное
Кол-во
1
?
Оставить заявку
90
412-1703007
Рукоятка переключения делителя
Кол-во
1
?
Оставить заявку
91
207-1703600
Рукоятка переключения делителя
Кол-во
1
?
Оставить заявку
100
4,51041E+13
Пневмоцилиндр WABCO 4214410120
Кол-во
1
?
Оставить заявку
Нужна помощь в подборе запчастей?
Напишите нам и оставьте ваши контактные данные. Мы перезвоним вам в течение 30 минут или раньше!
Кратвольд Елена
Менеджер по продажам
7 (3513) 289-777
koleso787@bk.ru
Вы должны включить JavaScript чтобы использовать эту форму.
Ваш вопрос
Email
Телефон
Отправляя форму вы подтверждаете согласие с
политикой обработки персональных данных
.
Отправить
Оставьте это поле пустым