Каталог запчастей
Запчасти Камаз
Запчасти Урал
Спецпредложения
О компании
Контакты
+7 (3513) 289-777
Отправить готовую заявку
Группа компаний A-GROUP
Каталог
Запчасти УРАЛ
Запчасти КАМАЗ
Двигатель
Система питания
Система выпуска газов
Система охлаждения
Механизмы управления
Рулевое управление
Тормозная система
Кабина и кузов
Кабина
Оперение кабины
Платформа и кузов
Трансмиссия
Коробка передач
Коробка раздаточная
Сцепление
Карданная передача
Мосты
Ходовая часть
Колеса и ступицы
Ось передняя
Подвеска
Рама
Электрооборудование
Приборы
Специальное оборудование
Устройство седельно-сцепное
Лебедка
Газовое оборудование
Прочие запчасти
Инструмент и принадлежности
Рукава и РТИ
Крепеж
Подшипники
Запчасти двигателя
Система выпуска газов
Система охлаждения
Система питания
Кабина и оперение
Передок кабины
Оперение кабины
Боковина кабины
Двери кабины
Задок кабины
Основание кабины
Крыша кабины
Сиденья кабины
Вентиляция и отопление кабины
Трансмиссия
Коробка передач
Раздаточная коробка
Карданный вал
Сцепление
Передний мост
Средний мост
Задний мост
Ходовая часть
Рама
Подвеска балансирная
Колеса и ступицы
Механизмы управления
Рулевое управление
Тормозная система
Платформа
Электрооборудование
Приборы
Оборудование и инструменты
Коробка отбора мощности
Лебедка
Устройство седельно-сцепное
Инструменты
Поиск
Графические каталоги
0
Группа компаний A-GROUP
Поиск
0
+7 (3513) 289-777
Обратный звонок
Отправить готовую заявку
Группа компаний A-GROUP
0
Меню
Поиск
Каталог запчастей
Запчасти Камаз
Запчасти Урал
Спецпредложения
О компании
Контакты
Главная
Графические каталоги
КамАЗ
КамАЗ-43253 (Часть-1)
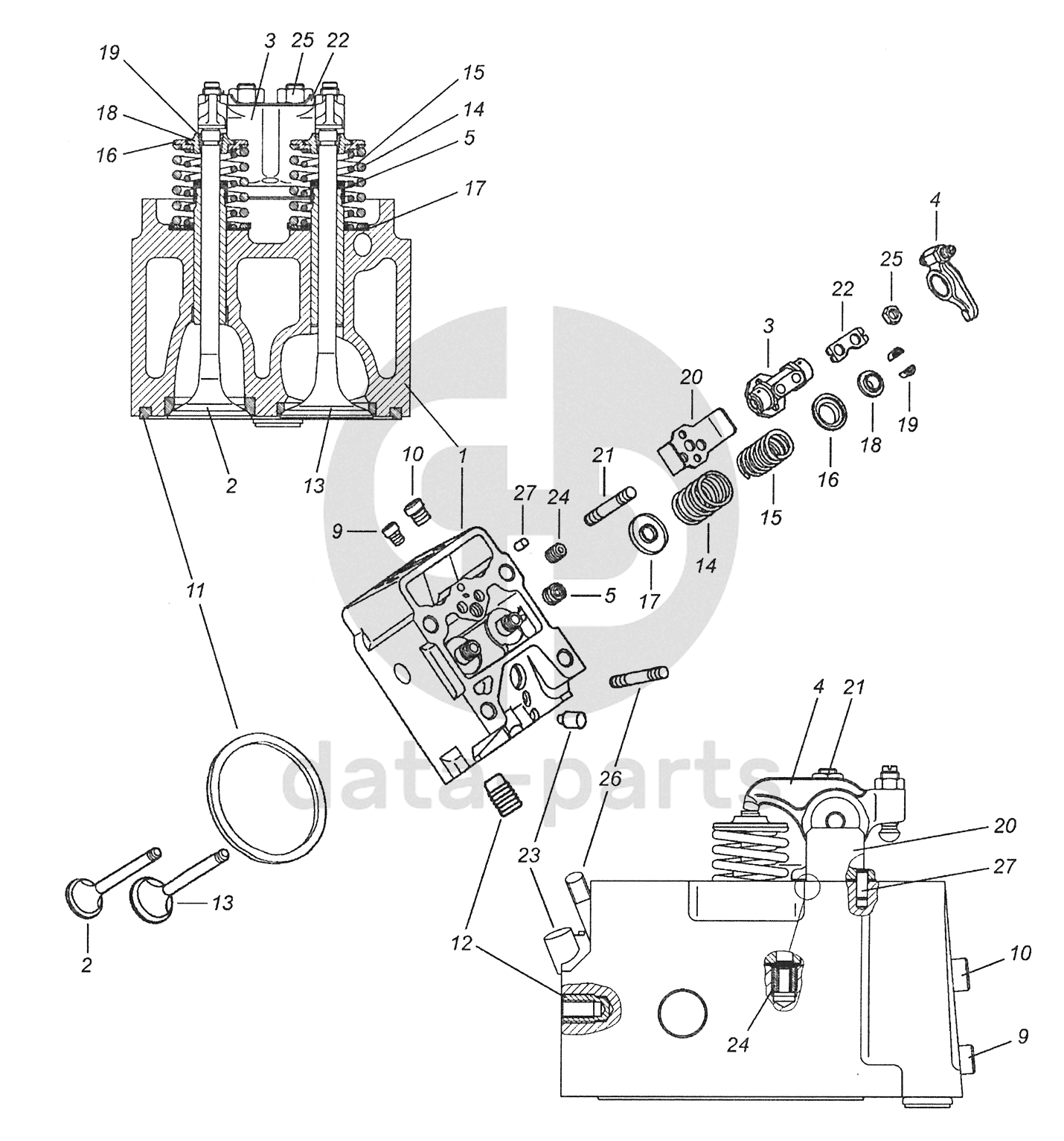
740.30-1003010 Головка цилиндра с клапанами
740.30-1003010 Головка цилиндра с клапанами КамАЗ-43253 (Часть-1)
1
2
2
3
3
4
4
5
5
9
9
10
10
11
12
13
13
14
14
15
15
16
16
17
17
18
18
19
19
20
20
21
21
22
22
23
24
24
25
25
26
27
27
100
%
1
740.30-1003014
Головка цилиндра
Кол-во
1
?
Узнать цену
740.30-1003014
Головка цилиндра
ПАО КАМАЗ
под заказ
18 775 ₽
В корзину
2
7406.1007015
Клапан выпускной
Кол-во
1
?
Оставить заявку
3
7406.1007091
Стойка коромысел в сборе
Кол-во
1
?
Узнать цену
7406.1007091
Стойка КАМАЗ коромысел
ПАО КАМАЗ
под заказ
3 643 ₽
В корзину
4
7406.1007140
Коромысло клапана в сборе
Кол-во
2
?
Узнать цену
7406.1007140
Коромысло КАМАЗ клапана в сборе
ПАО КАМАЗ
В наличии 28 шт.
976 ₽
В корзину
5
740.1007262-01
Манжета уплотнительная в сборе
Кол-во
2
?
Оставить заявку
9
740.1003348-01
Ввертыш
Кол-во
2
?
Узнать цену
740.1003348-01
Ввертыш КАМАЗ головки блока М14х1.5
ПАО КАМАЗ
под заказ
66 ₽
В корзину
10
740.1003448-01
Ввертыш
Кол-во
2
?
Узнать цену
740.1003448-01
Ввертыш КАМАЗ головки блока М16х1.5
ПАО КАМАЗ
под заказ
79 ₽
В корзину
11
740.1003466-11
Кольцо уплотнительное газового стыка
Кол-во
1
?
Узнать цену
740.1003466-11
Кольцо КАМАЗ стыка газового
ПАО КАМАЗ
В наличии 286 шт.
1 342 ₽
В корзину
12
740.1003548
Ввертыш
Кол-во
2
?
Узнать цену
740.1003548
Ввертыш КАМАЗ головки блока (под шпильку коллектора выпускного)
ПАО КАМАЗ
В наличии 20 шт.
48 ₽
В корзину
13
7406.1007010
Клапан впускной
Кол-во
1
?
Оставить заявку
14
740.1007020
Пружина клапана наружная
Кол-во
2
?
Оставить заявку
15
740.1007021
Пружина клапана внутренняя
Кол-во
2
?
Оставить заявку
16
740.1007024-01
Тарелка пружины клапана
Кол-во
2
?
Узнать цену
740.1007024-01
Тарелка пружин клапанов
ПАО КАМАЗ
под заказ
73 ₽
В корзину
17
740.1007025
Шайба пружин клапана
Кол-во
2
?
Узнать цену
740.1007025
Шайба пружины клапана
ПАО КАМАЗ
под заказ
114 ₽
В корзину
18
740.1007026
Втулка тарелки пружины клапана
Кол-во
2
?
Узнать цену
740.1007026
Втулка КАМАЗ пружины клапана
ПАО КАМАЗ
под заказ
67 ₽
В корзину
19
740.1007028
Сухарь клапана
Кол-во
4
?
Узнать цену
740.1007028
Сухарь клапана КАМАЗ
ПАО КАМАЗ
под заказ
25 ₽
В корзину
20
740.1007096-01
Фиксатор коромысел
Кол-во
1
?
Узнать цену
740.1007096-01
Фиксатор КАМАЗ коромысел
ПАО КАМАЗ
под заказ
87 ₽
В корзину
21
740.1007108-01
Шпилька крепления стойки коромысел
Кол-во
2
?
Оставить заявку
22
740.1007134
Шайба стопорная крепления стойки коромысел
Кол-во
1
?
Узнать цену
740.1007134
Шайба КАМАЗ стопорная стойки коромысел
ПАО КАМАЗ
под заказ
28 ₽
В корзину
23
740.50-1112169
Опора скобы форсунки
Кол-во
1
?
Узнать цену
740.50-1112169
Опора скобы
ПАО КАМАЗ
под заказ
83 ₽
В корзину
24
740.1115152
Ввертыш М14х1,5-6g
Кол-во
1
?
Узнать цену
740.1115152
Ввертыш КАМАЗ головки блока М14
ПАО КАМАЗ
под заказ
64 ₽
В корзину
25
1/21647/21
Гайка М10х1,25-6Н
Кол-во
2
?
Оставить заявку
26
1/35468/31
Шпилька М10х1,25х20х45
Кол-во
1
?
Оставить заявку
27
870770
Штифт 6х16
Кол-во
1
?
Оставить заявку
Нужна помощь в подборе запчастей?
Напишите нам и оставьте ваши контактные данные. Мы перезвоним вам в течение 30 минут или раньше!
Кратвольд Елена
Менеджер по продажам
7 (3513) 289-777
koleso787@bk.ru
Вы должны включить JavaScript чтобы использовать эту форму.
Ваш вопрос
Email
Телефон
Отправляя форму вы подтверждаете согласие с
политикой обработки персональных данных
.
Отправить
Оставьте это поле пустым